您好:
因为主机提供的SPI片选信号不符合ADS1299手册上CS拉低和第一个sclk信号之间延迟的要求,导致通信异常,请问如果我只有一个AD设备的话,我是否可以保持CS拉低。
This thread has been locked.
If you have a related question, please click the "Ask a related question" button in the top right corner. The newly created question will be automatically linked to this question.
您好,
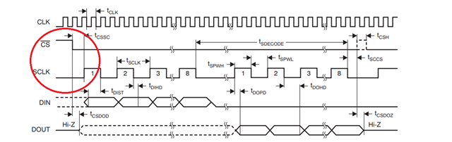
这个延迟时间tCSSC( Delay time, CS low to first SCLK)有最小时间要求,没有最大时间要求,延迟长一些没关系。
不建议将CS一直拉低,因为在datasheet中9.5.2.2 Serial Clock (SCLK)有以下描述,即在使用SCLK发送命令时,SCLK数是一定的,如果SCLK数错误,可能会导致设备串行接口处于未知状态,需要将 CS 置于高才能恢复。
The absolute maximum SCLK limit is specified in Figure 1. When shifting in commands with SCLK, make sure that the entire set of SCLKs is issued to the device. Failure to do so can result in the device serial interface being placed into an unknown state requiring CS to be taken high to recover.

您好,CS是片选信号,主要是用于SPI多个级联设备应用的时候,使用CS片选选择其中一device进行通讯,如果只有一个SPI device通讯,可以一直接地。
您说的应该是tCSSC这个延迟吧? 时序要求这个值是最小值,所以一直为低电平也是没问题的。
