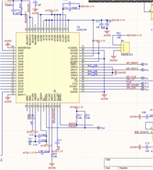
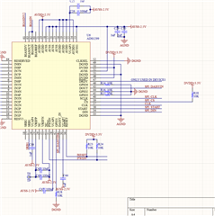
你好,我采用多个ADS1299用菊花链的方式连接,采用1299内部测试信号进行测试,第一个芯片读取时数据是对的,第二个芯片读取时不知道为什么出现异常。

This thread has been locked.
If you have a related question, please click the "Ask a related question" button in the top right corner. The newly created question will be automatically linked to this question.
Part Number: ADS1299
您好,我采用菊花链的方式连接两片ADS1299同时采集16通道的数据,我使用外部时钟输出1299内部测试信号,只能得到前八通道的数据,后八通道数据为0,请问是为什么?
