我设备的原理图和PCB;


你好我请教一下,为什么我采集MCU连接外部 串口 SWD 或者 MCU 和 ADS RDY RST 等线断开和连接时都有电压抬升和下降:
特别时串口功能,因为要考虑到 蓝牙发送和 串口发送 ,如果使用串口 采集到电压抬升10uv,如果此时标定为 0V,拔开串口蓝牙发送就会-10uv;
就不符合功能了,需要重新标定,显然产品不能重新标定了;
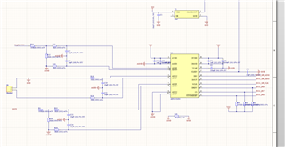
串口图:

供电采用 5907 给ADS131M04 和 da14531 蓝牙同时供电 ;
This thread has been locked.
If you have a related question, please click the "Ask a related question" button in the top right corner. The newly created question will be automatically linked to this question.
我设备的原理图和PCB;


你好我请教一下,为什么我采集MCU连接外部 串口 SWD 或者 MCU 和 ADS RDY RST 等线断开和连接时都有电压抬升和下降:
特别时串口功能,因为要考虑到 蓝牙发送和 串口发送 ,如果使用串口 采集到电压抬升10uv,如果此时标定为 0V,拔开串口蓝牙发送就会-10uv;
就不符合功能了,需要重新标定,显然产品不能重新标定了;
串口图:

供电采用 5907 给ADS131M04 和 da14531 蓝牙同时供电 ;