
有三个问题,期待回答,不胜感激:
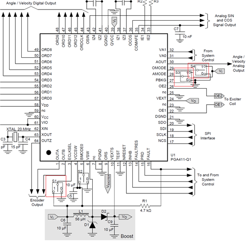
1、如上图所示的功能开关,在设计的时候必须配置上拉和下拉电阻吗,可否直接连到电源和地上?
2、该器件在官网已搜索不到了,是否已停产,如果没有停产,能否持续供货?
3、该器件是否有例程和原理图参考设计。
This thread has been locked.
If you have a related question, please click the "Ask a related question" button in the top right corner. The newly created question will be automatically linked to this question.

有三个问题,期待回答,不胜感激:
1、如上图所示的功能开关,在设计的时候必须配置上拉和下拉电阻吗,可否直接连到电源和地上?
2、该器件在官网已搜索不到了,是否已停产,如果没有停产,能否持续供货?
3、该器件是否有例程和原理图参考设计。
您好,这款产品不是已经停产,现在属于NDA的器件,所以在官网上查不到它的信息了。
您好,供货是正常的,但是购买的话需要签署NDA协议,并且需要提供一些相关信息需要确认。
如果您自己使用的话,我这边建议是您可以考虑更换其他功能类似的芯片。
您好,因为现在PGA411已经是NDA产品了,所以官网上已经找不到它的数据手册等相关资料了。
对于您的第一个问题,如果通过开关切换高低电平,可直接接GND或VCC来表示逻辑0和逻辑1.可以查看下这个引脚的定义。