Part Number: DAC8718
Other Parts Discussed in Thread: TPS54260
您好!
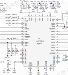
设计DAC8718为±15VDC供电,芯片双极性输出模式;问题如下:
1. 使用ITECH数字电源(隔离输出)24VDC给板子供电,可以控制DAC8718正常输出双极性电压;
2. 同样环境下,仅更换24VDC供电电源为 TDK 开关电源或者笔记本用的24VDC开关电源,DAC8718无法输出负电压,正电压输出值和设定值也不一致(即设定值与输出电压值不匹配);更换为ITECH电源后又正常输出;最终会用TDK开关电源作为DAC8718板卡外部电源供电电源,示波器测试过TDK开关电源输出电压无杂波。
请帮忙分析是什么原因造成更换供电电源导致不能正常工作?
另外,DAC8718板卡上面还使用有AD5755芯片,此芯片即使更换供电电源也可正常工作。
