Part Number: ADS124S08
您好,
我在TI官网申请的的ADS124S08配合我自己的电路板在测量单端输入的电压时出现问题,即便将输入端接地,测量结果仍然接近满量程,以下是我读到的数据:
原始数据,转换mV值
ffce27,2498.098633
ffce1c,2498.097168
ffce14,2498.095947
ffce1a,2498.096680
ffce08,2498.093994
- 在同一端口配合其他端口进行差分输入时没有问题
- 我用了两个芯片,结果相同
以下是我的寄存器配置:
ADS124S0x_WriteReg1(STATUS_ADDR, 0x80);
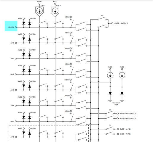
ADS124S0x_WriteReg1(INPMUX_ADDR, 0x0C); //Voltage Input MUX
ADS124S0x_WriteReg1(DATARATE_ADDR, 0x14);
ADS124S0x_WriteReg1(REF_ADDR, 0x3a); //Internal Reference
delay_ms(6); //use for internal reference 0x3a
ADS124S0x_WriteReg1(IDACMAG_ADDR, 0x00);
ADS124S0x_WriteReg1(IDACMUX_ADDR, 0xff);
ADS124S0x_WriteReg1(VBIAS_ADDR, 0x00);
delay_ms(3); //Startup time for external Cap using VBIAS
ADS124S0x_WriteReg1(PGA_ADDR, 0x00);
- 单电源供电
- AINCOM接地
- 模拟地与数字地通过0R短路
- 我测量的REFOUT与地确实为2.5V,表明AINCOM没有被虚接
