求一段adc08d1000或adc8d500的控制代码!
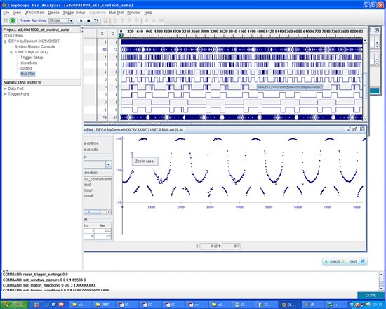
本人学生,最近在研究adc08d1000/adc8d500的控制,但是本人写的代码,在运行过程中出现了各种问题,比如说ad的四路数据输出的波形各不相同,且每一路波形还不连续。其显示如下所示。
DQ路数据显示
DI路数据显示
DId路数据显示
在这求各位大神给予帮助,提供一些解决方案或者提供一段控制代码(vhdl或virlog都行),小弟在这感激不尽。我的邮箱是1021084119@qq.com, 希望高手给予指点!!!!!1
This thread has been locked.
If you have a related question, please click the "Ask a related question" button in the top right corner. The newly created question will be automatically linked to this question.
求一段adc08d1000或adc8d500的控制代码!
本人学生,最近在研究adc08d1000/adc8d500的控制,但是本人写的代码,在运行过程中出现了各种问题,比如说ad的四路数据输出的波形各不相同,且每一路波形还不连续。其显示如下所示。
DQ路数据显示
DI路数据显示
DId路数据显示
在这求各位大神给予帮助,提供一些解决方案或者提供一段控制代码(vhdl或virlog都行),小弟在这感激不尽。我的邮箱是1021084119@qq.com, 希望高手给予指点!!!!!1
你用的XLINX的CHIPSCOPE, 发的什么信号?如果是抓数不对建议调整时序,调整拍数的时钟DELAY, 如果画图不对建议咨询XLINX.
另建议把数据抓下来用MATLAB画作对比
同时先建议现在小信号下测试