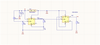
用想用CD4013做一个开关,每按一次按键K1输出1脚改变一次状态。现在问题是:
1.第一D触发器可以正常转换,每按一次按键K1,Q(1脚)输出高电平。但在松开按键K1时有时Q(1脚)也输出一个高平。松开按键的时间与第一个D触发器延时相当时基本会出现这一现象。
2.第二个双稳触发器始终不工作。

This thread has been locked.
If you have a related question, please click the "Ask a related question" button in the top right corner. The newly created question will be automatically linked to this question.
用想用CD4013做一个开关,每按一次按键K1输出1脚改变一次状态。现在问题是:
1.第一D触发器可以正常转换,每按一次按键K1,Q(1脚)输出高电平。但在松开按键K1时有时Q(1脚)也输出一个高平。松开按键的时间与第一个D触发器延时相当时基本会出现这一现象。
2.第二个双稳触发器始终不工作。
