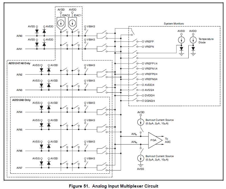
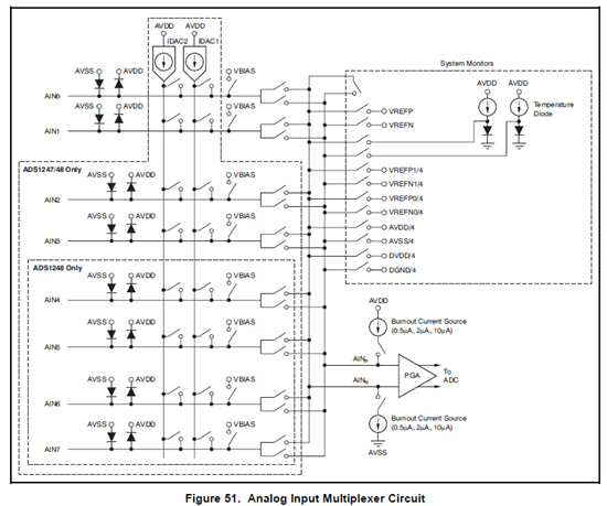
如题,应该如何设置,有没有相关说明的文档?1248有8个输入引脚,手册说有7路单端输入指的的是哪7个腿?
This thread has been locked.
If you have a related question, please click the "Ask a related question" button in the top right corner. The newly created question will be automatically linked to this question.
这个我大概知道了,我看到一个帖子讲单端输入的时候模拟电源要接成正负电源的形式,否则单端测量结果不正确。http://e2e.ti.com/support/data_converters/precision_data_converters/w/design_notes/1370.input-voltage-range-requirements-for-the-ads1248-and-ads1148-families.aspx该帖子中的第二个例子,接成AVDD=+5V和AVSS=0V时不可以用作单端请问是这样的吗?另外这还有个说该问题的帖子http://www.amobbs.com/forum.php?mod=viewthread&tid=5478087&highlight=%E5%8D%95%E7%AB%AF
您好,请问一下!如果要测量四组差分输入,是不是采取轮询配置采集通道的方式。在ADS1248手册上只是看到了单差分通道采集设置,没有发现全部通道设置的方法。谢谢!