Other Parts Discussed in Thread: FMC-ADC-ADAPTER

This thread has been locked.
If you have a related question, please click the "Ask a related question" button in the top right corner. The newly created question will be automatically linked to this question.
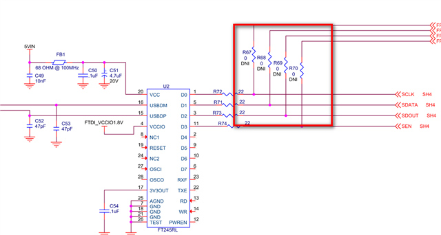
您好,不是的,DNI指的是预留电阻。R71~R74是一直焊接的,不需要去除,这里预留R68~R71的电阻是为了后面调试的时候用的,如果后续调试发现不安装有没问题,就不需要再焊接上去了。
预留出电阻的位置,并不代表这里就是断路,DNI的意思是don't need install。
但是实际做电路板的时候将这个电阻的位置预留出来,后期调试的时候需要接的时候再接上,如果不需要的话就没必要接了,也是为了节约成本。
您可以网上查一下跳线电阻,或者飞线的一些设计。
您说的没问题,就是现在我们买的这个开发板默认SPI配置是通过USB用上位机去配置,现在我想通过FMC-ADC-ADAPTER转接板通过FPGA 实现SPI控制,那几个预留电阻R68~R71的电阻我就需要焊接。您最开始的回答说是R71~R74是一直焊接的,不需要去除,那么现在按电路原理图和PCB布线来看,预留电阻位置就是断路,我必须得把预留电阻R68~R71焊接上才能实现FPGA 进行SPI配置。我这么说对不对?否则SPI 引线都连接不到FMC SPI接口上。
是的,R71~R74是一直焊接的,R67~R70标记为DNI的是预留的电阻。实际布线的时候这里就是导线连接的,只是预留了一个电阻的位置。
如果按照您的布线,不接这几个电阻就是断路,那就可以将这几个DNI电阻焊接上去,很多电路板这样的设计考虑到成本问题,实际调试的时候如有需要再将预留电阻焊接上。
