Other Parts Discussed in Thread: ADS1299

为什么就测不出信号呢,请问ti工程师们这是哪里出了问题,我已改正verfp和verfn之间连接avdd的问题,请帮我看一下哪里出现了问题
This thread has been locked.
If you have a related question, please click the "Ask a related question" button in the top right corner. The newly created question will be automatically linked to this question.
看频谱测量的应该是50HZ工频干扰。
您采集内部测试信号和外部输入信号都是可以采集的是吗?您将MUXn[2:0]配置为001,采集底噪幅值是多少?
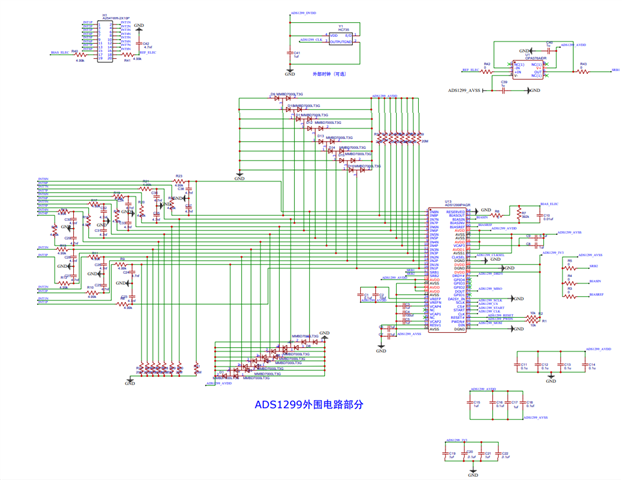
看您寄存器配置SRB1是断开的,SRB2是闭合的,这样SRB2内部是连接到INxP的,而SRB2外部是通过R5=0Ω连接到AVSS=2.5V;
BIAS运放是power down的,您没有使用BIAS运放。那您的参考电极(reference electrode)和偏置电极(bias electrode)是怎样连接的?
建议您看下 ADS1299EEGFE-PDK 用户指南的第7 部分 EEG Specific Features,里面讲了电极的连接。
用户指南:https://www.ti.com.cn/cn/lit/pdf/slau443