Other Parts Discussed in Thread: ADS1248
楼主
你好
我想请问任何用ADS1248 系列adc做多通道RTD 的采样, 如果安装推荐电路使用方法 Rbias电阻是否可以共用?
This thread has been locked.
If you have a related question, please click the "Ask a related question" button in the top right corner. The newly created question will be automatically linked to this question.
Other Parts Discussed in Thread: ADS1248
楼主
你好
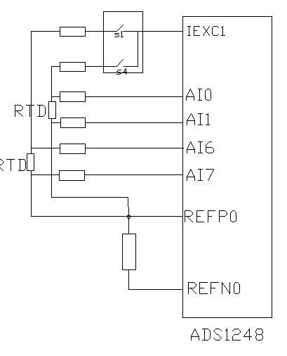
我想请问任何用ADS1248 系列adc做多通道RTD 的采样, 如果安装推荐电路使用方法 Rbias电阻是否可以共用?
不知能否提供更详细的或者电路图,多通道是哪里体现的?开关哪里切换?
这个电路比较重要的是打开内部基准,打开IDAC;设置使用外部参考,利用Rbias上得到的电压作为外部参考。这样使得IDAC输出电流的温漂和外部输入参考的温漂同比上升或下降,最终结果抵消掉参考温漂的影响。
Hi SHIPING LUO,
典型的应用是3线或者4线RTD测温,而且针对单路RTD。像您这种两路共用参考电阻的应用,注意通道之间的影响,例如,要防止激励电流流到另一通道上去造成大的测量误差。
原理上没问题,但开关方面需要注意,漏电流需要很小,或者使用继电器。我的建议是这样的。