1. 多路 64路 ADS1299采集脑电信号,发现脑电信号上有比较有规律毛刺尖峰如下图,这种情况是和什么有关呢?

2. ADS1299 demo上提有右腿驱动功能,但该部分是接到脑电电极帽的 哪个位置,,是接REF参考电极吗?这部分demo说明书上描述的不是很详细,可以更详细的解释使用方法吗?
3. ADS1299 demo上关于电源的设计的说明没有太详细的说明,该部分对电源纹波噪声等有没有啥要求?是否有推荐的供电方式?
This thread has been locked.
If you have a related question, please click the "Ask a related question" button in the top right corner. The newly created question will be automatically linked to this question.
1. 多路 64路 ADS1299采集脑电信号,发现脑电信号上有比较有规律毛刺尖峰如下图,这种情况是和什么有关呢?

2. ADS1299 demo上提有右腿驱动功能,但该部分是接到脑电电极帽的 哪个位置,,是接REF参考电极吗?这部分demo说明书上描述的不是很详细,可以更详细的解释使用方法吗?
3. ADS1299 demo上关于电源的设计的说明没有太详细的说明,该部分对电源纹波噪声等有没有啥要求?是否有推荐的供电方式?
您好,
1、这个毛刺尖峰的频率是多少呢?使用内部测试信号,采集结果也有这个毛刺尖峰吗?
2、这里您具体说的是哪部分?
3、电源纹波噪声对输出影响的评估参数是PSRR(电源抑制比)。如果测量信号对精度要求比较高,那么相应的供电电压性能要求就比较高。对于模拟器件,一般建议选用线性电源供电,而不建议使用开关电源供电,以避免开关电源的高频开关信号对模拟电路的影响。
4、下面FAQ中的方法希望可以解决您的问题:
关于右腿驱动,我看到datasheet上有关于这个寄存器,SRB1,看起来是右腿驱动抑制共模噪声的,但这个部分怎么和电极连接,没有详细使用说明?
Stimulus, reference, and bias 1This bit connects the SRB1 to all 4. 6, or 8 channels invertinginputs0 : Switches open
1: Switches dosed
但我看demo板里面关于这部分的描述,似乎是右腿驱动需要外部提供,
The reference voltage for the on-chip right eg drive can be driven externally. The on-chip voltage is set tomid-supply. If the application requires the common mode to be set to any other voltace, this configurationcan be accomplished by setting the appropriate bit in the Configuration 3 Register. The external BIASREFvoltage is set by resistor R1 and adjustable resistor R2.。。
1、关于工频干扰问题,在这些类型的系统中很常见,如果您搜索英文技术论坛:https://e2e.ti.com/ 论坛,您会找到大量有关此问题的有用帖子。下面链接是我找到的关于此问题的有用链接:
2、关于右腿驱动功能:
(1)寄存器SRB1 bit,与右腿驱动没有关系,它仅是控制是否将ADC的所有反向输入端(INxN)内部连接到SRB1 管脚。
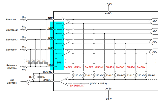
(2)对于ADS1299 右腿驱动是指如下ADS1299 内部结构截图中的BIAS Amp(偏置运放),右腿驱动的参考电压外部驱动的话,需配置CONFIG3寄存器BIASREF_INT bit为0,内部驱动的话,BIASREF_INT bit=1,参考电压是(AVDD + AVSS) / 2。


参考电压外部驱动的话,在EVM板上如下电路图截图,是通过R1和R2电阻设置:

对于测量EEG的偏置电极,有两种驱动方式,一种是连接EVM板上的BIAS_ELEC ,另一种是连接EVM板上的BIAS_DRV。前一种驱动电压是U11产生的(AVDD + AVSS) / 2,后一种是ADS1299内部BIAS Amp(偏置运放)产生的驱动电压。
(1)寄存器SRB1 bit,与右腿驱动没有关系,它仅是控制是否将ADC的所有反向输入端(INxN)内部连接到SRB1 管脚。
这样两种方式对于应用来说有啥区别吗?什么情况下配置为0, 什么应用情况下配置为1? 这个配置会影响到底噪吗?

从1299框图来看,这个是需要和 REF 电极连接在一起? SRB1和SRB2有啥区别?
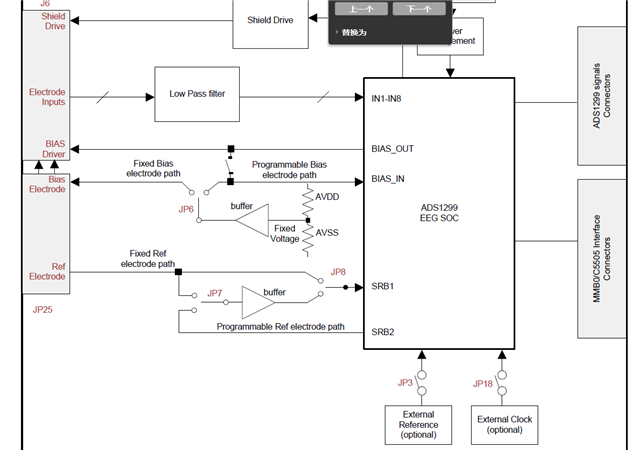
(2)从demo框图可以看到,

Bias in, biasout 这两个有什么作用呢?
(3)关于你描述的右腿驱动,这个驱动的输出连接到哪个电极?从demo来看,不需要连接到电极上,就可以实现右腿驱动,抑制共模噪声吗?
(4)目前我们测下来底噪毛刺比较多,其中包括有50Hz的,我目前电极有3个,+,-, Ref,;但测量的方式是将REF和-连接在一起,接到GND,进行采集信号。 这种情况是否可以增加右腿驱动来抑制共模噪声?
1、
这样两种方式对于应用来说有啥区别吗?什么情况下配置为0, 什么应用情况下配置为1? 这个配置会影响到底噪吗?
这取决于您的应用,看下面内部框图,配置SRB1 bit=1可以将ADC的所有反向输入端(INxN)在内部连接到SRB1 管脚。如果在您的应用中,使用的所有通道的PGA的反向输入端需要连接的信号相同,您就可以将SRB1 bit置1,然后将需要连接到多个PGA的反向输入端的信号连接到SRB1 管脚就可以了,这样可以减少ADC外部PCB走线。

如下截图SRB1 bit置1的应用:

从1299框图来看,这个是需要和 REF 电极连接在一起? SRB1和SRB2有啥区别?
是的,SRB2是通过将CHxSET[3] = 1将相应输入连接到PGA的同向输入端。

2、ADS1299内部关于Bias in, biasout两个管脚的电路如下截图所示,建议您考虑其ADC内部电路的情况下,仔细研读datasheet 9.3.2.4 ECG and EEG Specific Features部分和ADS1299EEG-FE Users Guide (Rev. B) 的第7部分7 EEG Specific Features。相信对你理解Bias in, biasout的作用有帮助。

3、对于EEG应用,需要连接到偏置电极上,才能实现抑制共模信号。
4、可以增加右腿驱动来抑制共模噪声。