This thread has been locked.

If you have a related question, please click the "Ask a related question" button in the top right corner. The newly created question will be automatically linked to this question.

THS8200输出1080P50/60格式YPbPr视频时无信号



输入是16位YCbCr 4:2:2格式的信号,EAV/SAV同步,所有I2C配置按照参考脚本slec026a和slec026b的相关内容来设置的。

现在如果输入格式是1080P25和P30时,可以输出YPbPr视频,没有问题。

但如果输入是1080P50和P60时,则显示器和采集卡均无信号。

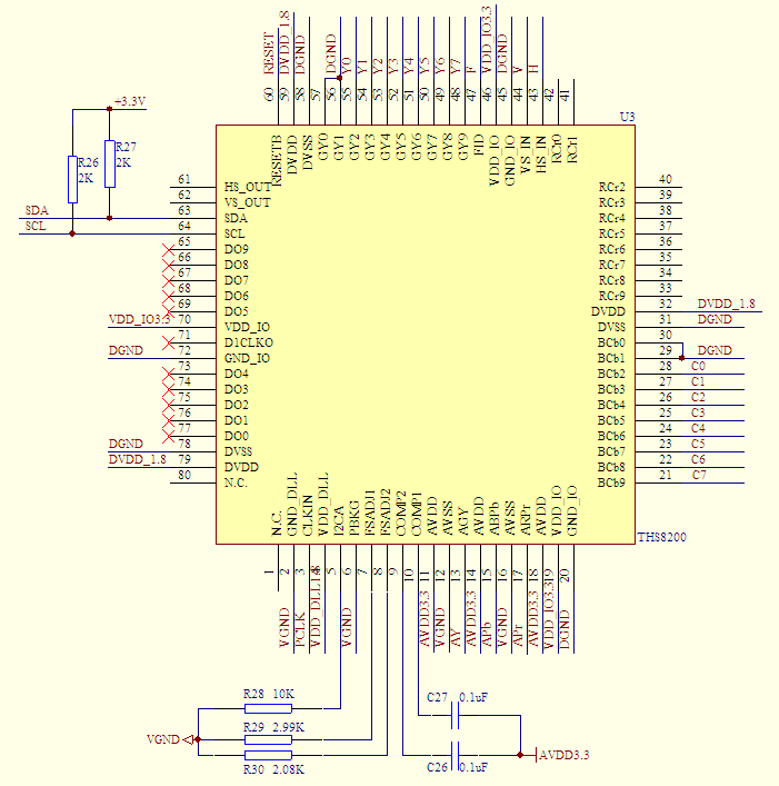
相关原理图如下

输出部分电路,以Y为例,PbPr类似。

个人觉得可能是输出部分的问题,对后端电容电感的匹配不太了解,还请有经验的高人帮忙指点一下,谢谢。