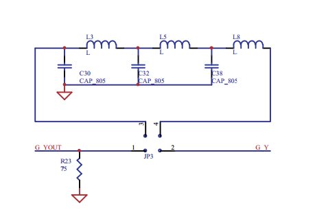
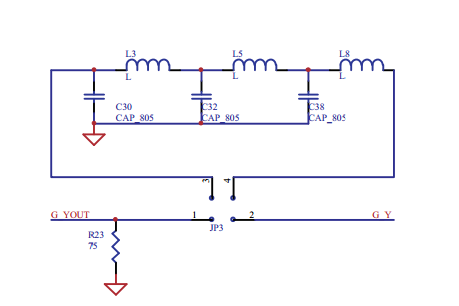
我有个问题想请问下,使用THS8200输出VGA信号,图像会有干扰,已经有增加PAI型滤波器;
L的值用0.33uH,电容使用68pF;但是完全无变化,是否我用的值不对呢?
This thread has been locked.
If you have a related question, please click the "Ask a related question" button in the top right corner. The newly created question will be automatically linked to this question.