你好,
我正在使用ADS1299IPG来采集脑电信号,
电路设计中,我使用负端INx N作为电极输入,SRB2作为参考电极,
然而使用中发现,从多个通道读出来的电压值都在2V左右的幅值,而SRB2和SRB1没有接入电极的时候对地电压就有1.6V左右。
请问下是我寄存器没有配置正确吗?
我在软件端的寄存器配置为:
CONFIG1 = 0x96;
CONFIG2 = 0xD0;
CONFIG3 = 0xEC;
CHnSET = 0x08
MISC1 = 0x00;
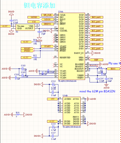
硬件端的电路设计如下:

请求你的帮助,感谢你的时间!!!
慕谦


