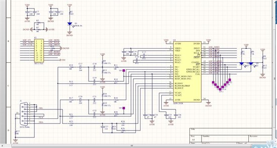
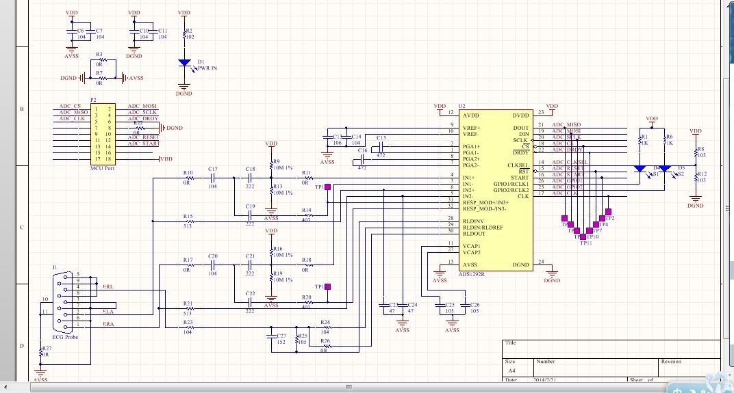
最近参加TI BME大赛,使用ADS1292R模拟前端进行心电与呼吸信号的提取。电路为评估板建议的电路,CH1解调并测量呼吸波,CH2测量ECG,但在工作中发现一个问题:
1、测试环节里,两通道使用同样设置时(0x05,接到内部测试信号,我设置的是1Hz方波),CH2能够读到方波,CH1读不到,其值与写入输入短路时的值基本相同。
2、连接人体,CH2 能读到正常的心电图,噪声情况很好,但CH1却不能读取呼吸波,波形通过上位机显示后是一个噪声波形,与呼吸频率无关
手册上并没有说明当CH1测量呼吸波时通道设置应为什么,普通电极输入还是CH3?
请问TI工作人员或者使用过这个芯片的同行们,呼吸波测量操作有哪些要注意的问题?尤其是手册没有明确指出的

