This thread has been locked.

If you have a related question, please click the "Ask a related question" button in the top right corner. The newly created question will be automatically linked to this question.

AFE5807EVM: 讯号量测

Part Number: AFE5807EVM


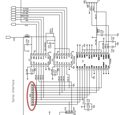
想请问一下关于AFE5807EVM板上的sclock讯号脚怎么量测?

JP18sclock勾出来只有高准位?这样对吗?