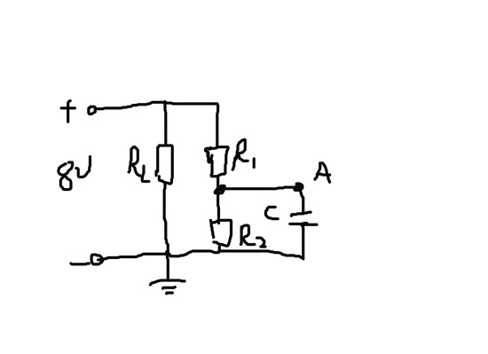
A点为采样点,当有电容C时,采样管脚接在A点,A点电压1.7V;采样管脚没接在A点时,A点电压为1.43v;
当没有电容C时, 采样管脚接在A点,A点电压1.43V;采样管脚没接在A点时,A点电压为1.43v;
请问这是怎么回事?
This thread has been locked.
If you have a related question, please click the "Ask a related question" button in the top right corner. The newly created question will be automatically linked to this question.