This thread has been locked.

If you have a related question, please click the "Ask a related question" button in the top right corner. The newly created question will be automatically linked to this question.

ADS1278使用时坏掉

Other Parts Discussed in Thread: ADS1278

您好!

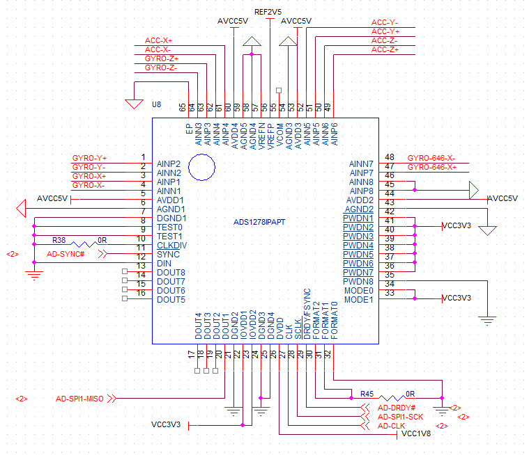
我们在使用ADS1278时,在使用过程中很奇怪的坏掉,测试DVDD1,8V的电流可达200mA左右,已经烧坏3个芯片了,请问是什么原因?以下是我们的电路,请帮助分析,谢谢!