This thread has been locked.

If you have a related question, please click the "Ask a related question" button in the top right corner. The newly created question will be automatically linked to this question.

ADS8568内部参考源问题

Other Parts Discussed in Thread: ADS8568

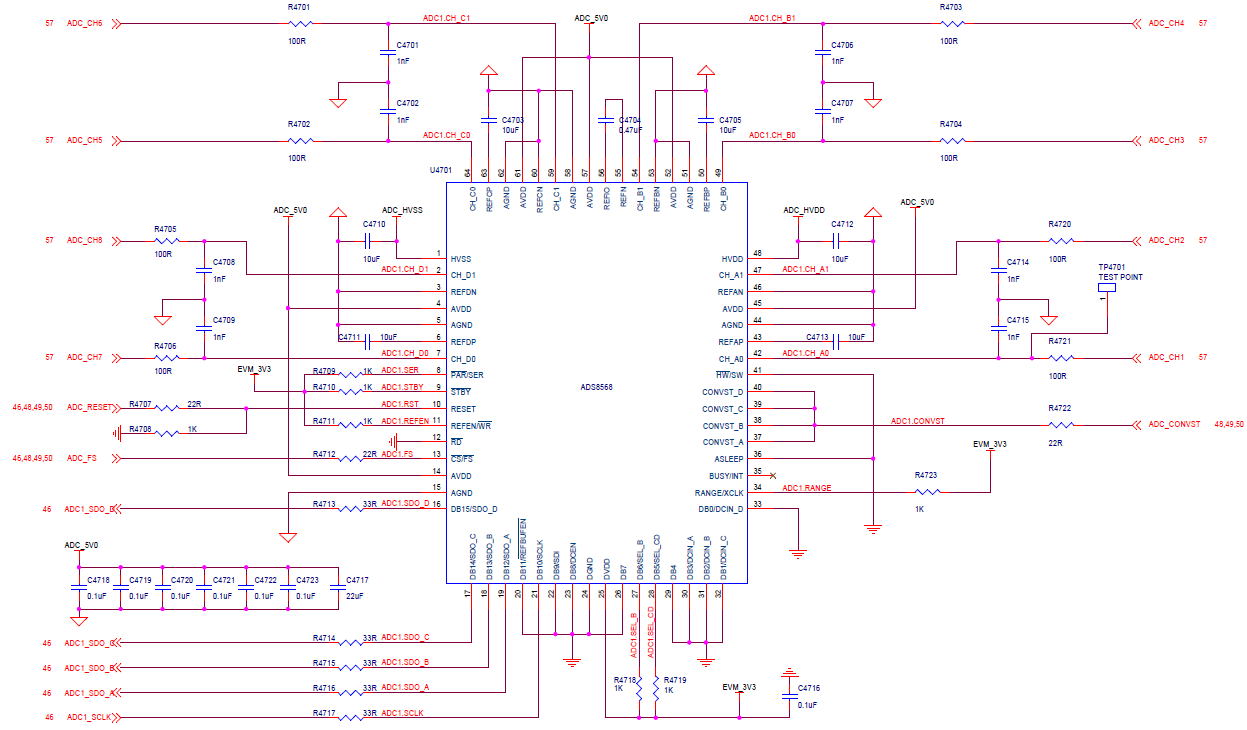
在使用ADS8568的时候发现内部参考源有不稳定的现象,原理图见附件

ADS8568的配置:

PAR/SER = 1, 串行数据
REFEN/WR = 1, 使能内部参考
HW/SW = 0, 硬件配置模式
RANGE/XCLK = 1, 2VREF

ADS8568的模拟电源为+5V,数字电源为+3.3V,HVDD=7V, HVSS=-7V,输入信号满幅度为+-5V,即10V Vpp, 用FPGA控制采样。REFIO引脚并联0.47uF电容到AGND去耦。

在使用过程中发现输入一个比较小的信号,转换结果就已经达到满量程(7FFF,8000),测量REFIO引脚发现只有1V左右,多次上电测量发现REFIO引脚电压在变化,有的时候是0.4V左右,有的时候是0.9V左右,每次上电后都不一样。REFAP/REFBP/REFCP/REFDP等引脚电压与REFIO一致,根据数据手册的描述,内部参考源在复位后默认为2.5V,初步怀疑是内部参考源没有使能,但是电路似乎没有问题,感到困惑。

调试中将REFEN下拉到地,关闭内部参考,从REFIO输入一个2.5V参考电压,测量REFAP/REFBP/REFCP/REFDP等引脚均为2.5V,考察采样结果ADC可达到满量程+-5V,说明ADC工作一切正常,只是内部参考源出了问题,请问是哪里出了问题?