Other Parts Discussed in Thread: TFP410
你好 dm6437后端和tfp410连接输出高清视频,使用hdmi 连接器输出到监视器上,发现监视器上没有显示?
设置的分辨率为800*480 ,在群创的7寸lcd屏上是可以显示输出的。
This thread has been locked.
If you have a related question, please click the "Ask a related question" button in the top right corner. The newly created question will be automatically linked to this question.
Other Parts Discussed in Thread: TFP410
你好 dm6437后端和tfp410连接输出高清视频,使用hdmi 连接器输出到监视器上,发现监视器上没有显示?
设置的分辨率为800*480 ,在群创的7寸lcd屏上是可以显示输出的。
差分线上是有3.3v然后上下波动的波形,不知道这个波形是否正确,还有tfp410设置800*480输出是否有时序要求,直接按照lcd的时序是否可以。
可以把输出差分对的波形发上来看下,另外,把TFP410的电路也发上来看下呢
我这边现在没有差分探头,所以只能用普通示波器去看
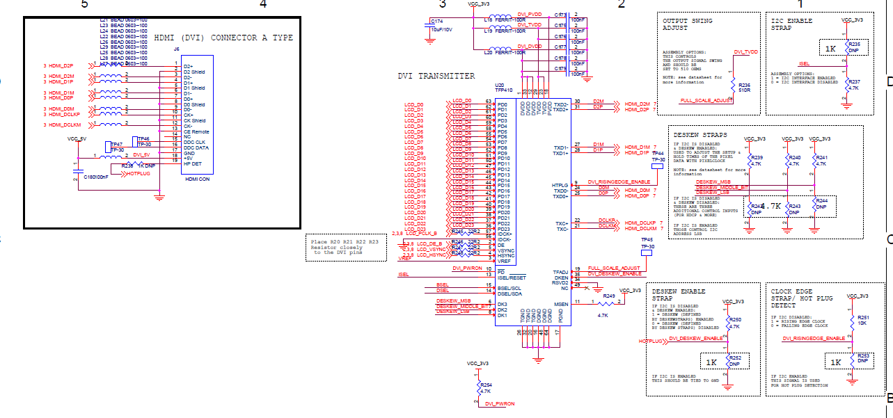
上面的附件是电路图 请查看,
我现在用示波器去测量,发现没有信号输出了,前两天测量是有一个3.3v为基准的上下波动的波形 ,振幅大概一伏左右。
看不出电路中PD引脚连接情况,要确保TFP410 没有进入power down模式,否则的话没有输出。
那进入TFP410的输入信号以及时钟都正常的吧?
都正常,lcd都可以显示 800*480 用示波器测量过 也有波形,pd直接接高电平的
附件为原理图
只能传一个附件, 附件是接上面的原理图,帮我看看原理图是否正确,还有如果我配置800*480是否可以显示,因为我的lcd和hdmi是共用的数据线,打算直接800*480输出到hdmi接口上是否可以,是否有时序要求,比如消隐信号的长度
现在测试发现一个问题,如果把hdmi线接入监视器上 ,是有波形,波形如附件:
如果没有接入hdmi线 就没有波形输出。
看你给的TMDS差分对的波形不正常。
另外,可以观察下MSEN的输出情况,正常时序是在没有连接到monitor之前为低,如果和monitor连接上的话,由低变高,这个引脚是判断能否和monitor连接上的。
还有就是检查下LCD差分输入是否内部已经集成100ohm终端匹配电阻,否则的话需要在靠近LCD接收端端接上100ohm。
MSEN这个我检查过 ,有热插拔功能的,同时我测量了tmds 中的clk 差分对,是有时钟波形,而且波形还比较整齐。
LCD差分输入是否内部已经集成100ohm终端匹配电阻,这个怎么检查?
我用了其他的开发板hdmi,监控器能正常工作。
我的lcd指的是rgb888的24个信号同时接了一个lcd屏(800*480),也驱动tfp410的24bit的rgb,我的lcd是能显示。
回复速度太慢了 ,我现在发现一个问题 ,我把时钟频率增加到54M,监视器上不会显示没信号,而是显示不支持,会不会是同步信号和消隐信号的脉宽的要求。
能不能快点回复一下,这个项目就停止在这里了。你那天说是哪里要加100欧电阻
我说的是在靠近LCD的HDMI差分对间需要端接100ohm匹配电阻,需要查看下LCD HDMI接口的spec,看下是否内部已经集成。
现在加了一个100欧的差分电阻还是一样,
能否提供一个tfp410的参考电路,还有hdmi的DDC是否要接上,我现在是没有使用edid功能。
下面我配置为1280*720的程序,同时使用IIC模式:
void HDMI_init()
{
IIC_write_TFP410(0x0835);
IIC_write_TFP410(0x0924);
IIC_write_TFP410(0x0a92);
IIC_write_TFP410(0x3204);
IIC_write_TFP410(0x3341);
IIC_write_TFP410(0x3419);
IIC_write_TFP410(0x3600);
IIC_write_TFP410(0x3705);
IIC_write_TFP410(0x38D0);
IIC_write_TFP410(0x3902);
}
时钟配置为72M
VPBE_VENC_HSPLS = 40;// 40*2
//必须以ENC_Clock 同步,而配置的ENC_Clock 为54M ,则行需要乘以2
VPBE_VENC_HINT = 1650-1;// 1056*2 - 1
VPBE_VENC_HSTART = 260; // (40 + 4)*2
VPBE_VENC_HVALID = 1280; // 800*2
VPBE_VENC_VSPLS = 5;// 10
VPBE_VENC_VINT = 750-1;//0x20C; // 525 - 1
VPBE_VENC_VSTART = 25;//0xc; // 10 + 2
VPBE_VENC_VVALID = 720;//0x1E0; // 480