Part Number: ADS1278-HT
Other Parts Discussed in Thread: ADS1278
请教一下,我使用如下的程序去采集,SCLK CLK CS的波形均按照要求进行设置,具体情况如下图

,代码情况如下:
,通过在while里面运行第一个图片代码,能够得到采集的数据 但是采集的结果稳定性不高,容易跳变,变化范围在0.1V,
,请问这种情况是哪里存在问题呢,应该如何解决,谢谢。
This thread has been locked.
If you have a related question, please click the "Ask a related question" button in the top right corner. The newly created question will be automatically linked to this question.
Part Number: ADS1278-HT
Other Parts Discussed in Thread: ADS1278
请教一下,我使用如下的程序去采集,SCLK CLK CS的波形均按照要求进行设置,具体情况如下图

,代码情况如下:
,通过在while里面运行第一个图片代码,能够得到采集的数据 但是采集的结果稳定性不高,容易跳变,变化范围在0.1V,
,请问这种情况是哪里存在问题呢,应该如何解决,谢谢。
您好
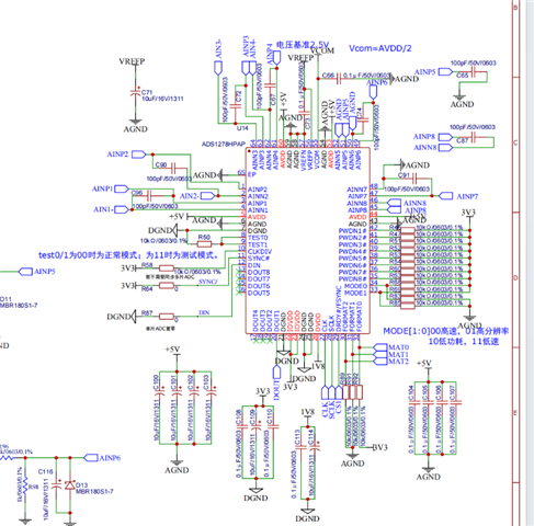
似乎客户在单个 DOUT 中的 SPI、TDM、8个通道中使用 ADS1278。 根据上面的图片、运行看起来正常。 您能否再次说明客户的问题? 通过在 while 内部运行第一个图片代码、可获得捕获的数据、但捕获的结果不稳定、并且容易跳闸、变化为0.1V。 客户是否是指输入中的0.1V 变化会改变输出代码? 提供的代码21、29,251等效于0.412V、代码20,232,154等效于0.408V。 这些代码是否与预期的输入电压匹配? 代码存在一个问题;输出代码为二进制补码。 任何大于0x7FFFFFh 的值都指负差分输入电压。 24b 值应该首先被载入一个有符号32变量、左移8倍、然后右移8倍以保留符号位。 但是、只要您仅测量正值、您拥有的代码就会生成正确的结果。 我需要查看原理图才能了解 ADS1278的确切配置。 我还需要了解 ADC 输入连接的电压、以便进一步解答问题。
您好
代码将提供正输入电压的正确结果。 然而、对于接近0V 的输入、它可能会由于噪声和偏移而给出不正确的值。
如果我理解正确、客户在通道1、2和4的输入端测得0.206V、但 ADC 输出值为0.21V。 这非常接近于实际的电压。
值不正确的原因:
我没有看到每个通道都有任何输入放大器。 如果输入电压具有大源阻抗(例如输入分压器)、则这可能会导致读数错误。 如果基准电压不准确、这也会导致读数不正确。
请要求客户使用 DMM 测量 ADC 引脚附近的基准电压。 另外、请查看显示输入放大器和基准电路的电路原理图。