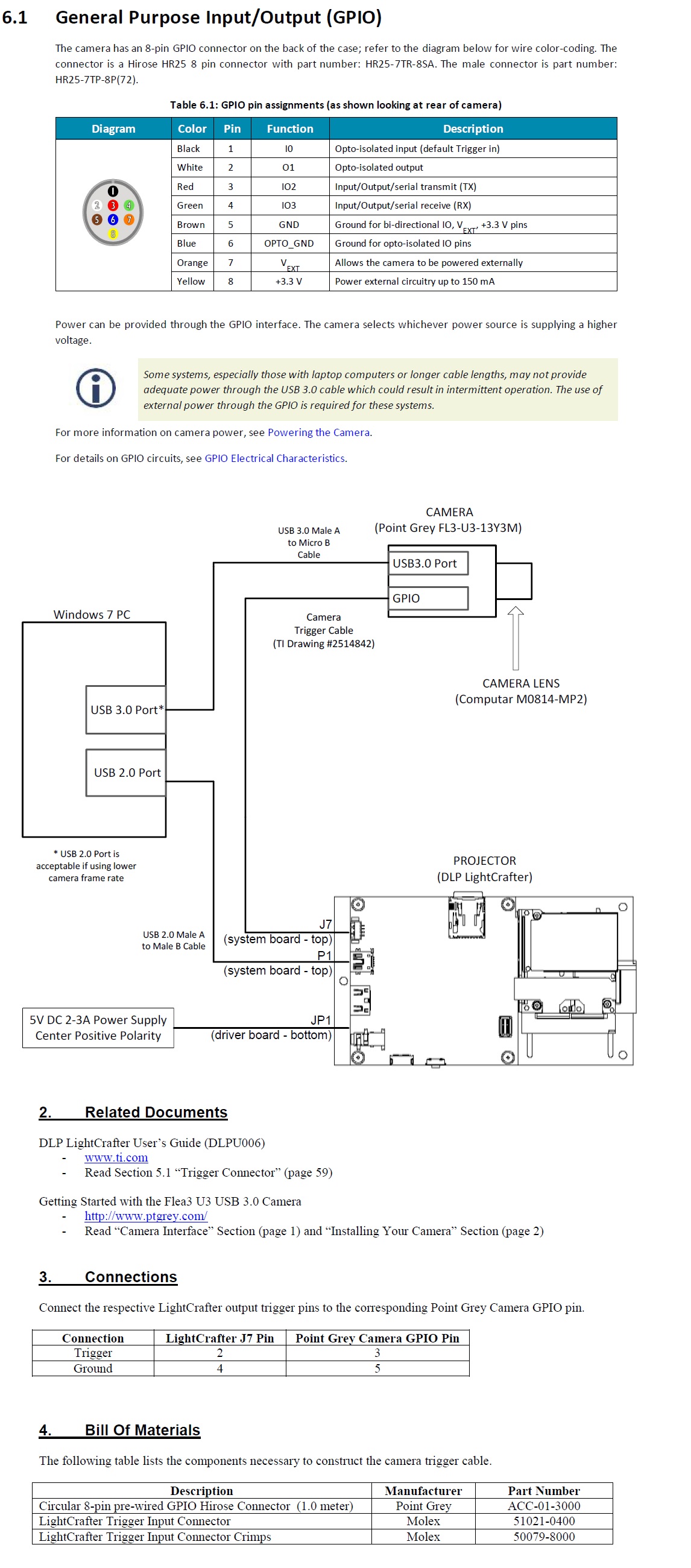
Hi:
我们在用TIDA-00361这个软件配合LightCrafter 3000 EVM板子进行调试,目前遇到几个小问题,想请教一下:
1. 在文档 Literature Number: TIDU985 的 36页,“Enter the length of the squasre <do NOT include units>:"
在这个地方,我们预先量好height = 156mm, width=215mm, 但是这个地方怎么输入高,宽 2个参数呢? 文档没有详细写怎么输入, 所以我就输入156, 然后回车, 又出现
然后输入 215,然后回车
2. 然后进入先后输入3, 4,发现DLP3000投影的是绿色的光,而不是 white pattern, 如下:
3. 然后 进入抓拍20张图片模式,每当我按“SPACEBAR" 后, 会有错误如下:
请问这个错误出现在那个环节呢? 是我们输入宽,高哪里 方式不对吗?
谢谢





