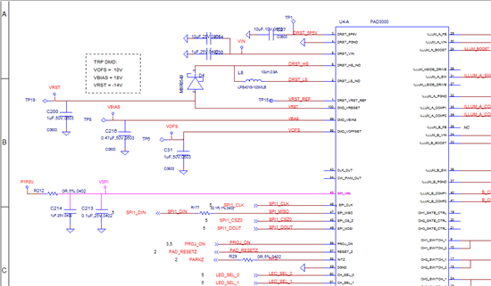
板子在开始时能正常工作,一段时间后突然点不亮光机,经测量发现DLP3000的10V,18V,-14V都没有输出,.而且这样的情况不是一直没输出,偶尔有时候能输出,光机能点亮,但是有时候又只能亮一下就灭了.请问这种情况是什么问题?电路layout还是其他什么问题?

This thread has been locked.
If you have a related question, please click the "Ask a related question" button in the top right corner. The newly created question will be automatically linked to this question.
可以看下DLPA3000的INTZ脚的状态,正常应该是高电平。如果为低,电源部分有问题。DLPA3000的输入电压是多少伏?开机过程中,Vin是否稳定?另外还可以看下DLPC343x的Host_IRQ脚状态,正常为低电平。如果是高,则3438初始化失败。