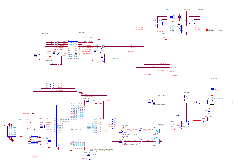
我利用DLP3010evm的displayboard和自己做的一块底板连接。
去除了底板上的MSP430,直接将赛普拉斯芯片与dlpc连接。赛普拉斯芯片配置和evm一样。
可以烧录固件,但是GUI无法与dlpc通信。将GPIO6通过下拉接地后。
硬件连接应该没问题,请指教该如何解决?
This thread has been locked.
If you have a related question, please click the "Ask a related question" button in the top right corner. The newly created question will be automatically linked to this question.
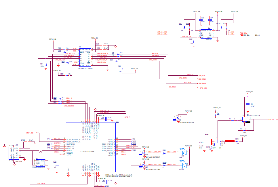
我利用DLP3010evm的displayboard和自己做的一块底板连接。
去除了底板上的MSP430,直接将赛普拉斯芯片与dlpc连接。赛普拉斯芯片配置和evm一样。
可以烧录固件,但是GUI无法与dlpc通信。将GPIO6通过下拉接地后。
硬件连接应该没问题,请指教该如何解决?