This thread has been locked.

If you have a related question, please click the "Ask a related question" button in the top right corner. The newly created question will be automatically linked to this question.

关于DLPA2005的LED驱动电感噪声问题

Other Parts Discussed in Thread: DLPA2005, DLPC3430

dear ti

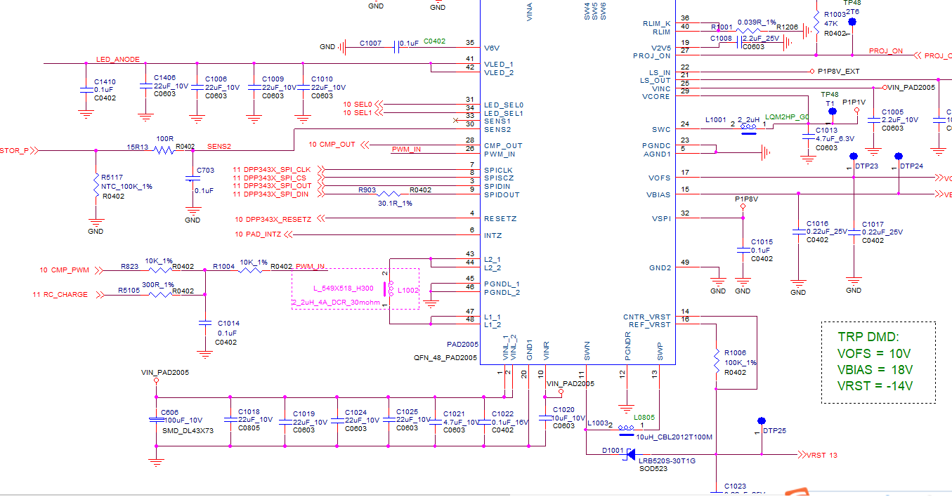
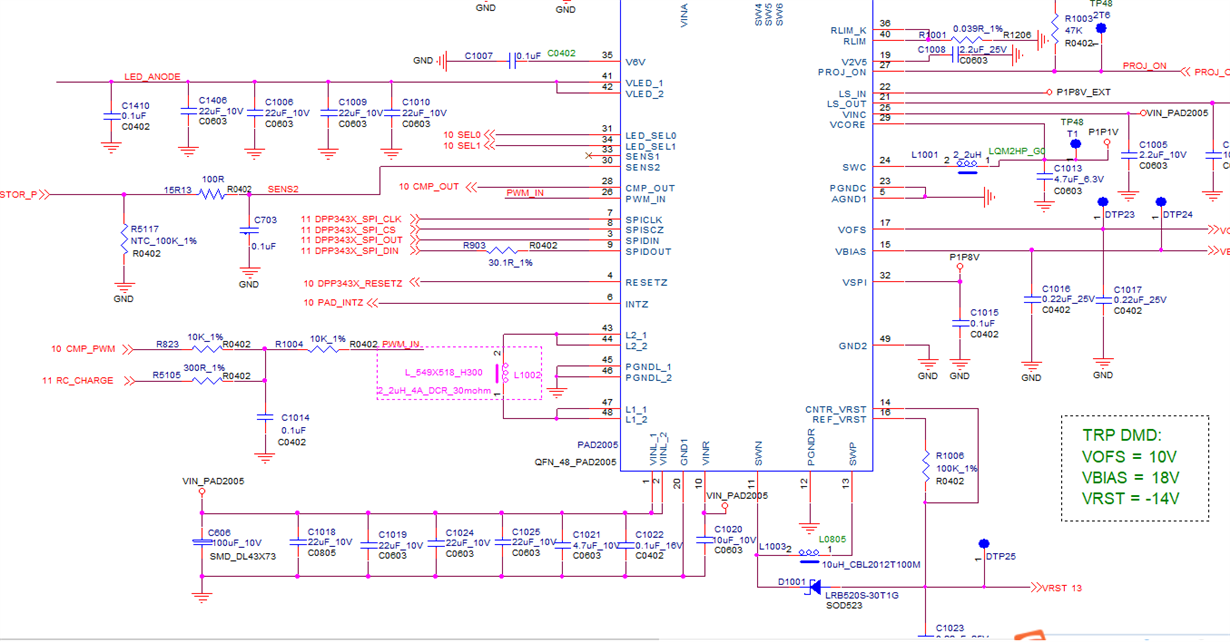
方案是DLPA2005+DLPC3430,遇到的问题是:只要打开LED电源,不管是红灯还是蓝灯或者绿灯,都会有噪声输出,初步判断是电感或者电容引起的噪声,请问有什么解决办法吗?