TI的工程师你好:
我使用PAD1000和DLPC2607设计HUD显示器,我硬件设计时将PAD1000的INITZ脚和DLPC2601的PARKZ脚连在了一起,我打算用INITZ来控制PARKZ脚, 现在遇到一个问题,我用示波器测量了系统上电初始化时INITZ的波形,从波形中可以看出INITZ在拉高一段时间后又变低了,这导致DLPC2607不能控制PAD1000出光。
我查看PAD1000的寄存器发现这个低电压位置1了,说明系统是点电压状态,
但是我用万用表测量PAD1000的供电发现时正常的,但是不明白为什么这个位会置1.
少数情况下INITZ会变高,但是在我将DLPC2607的LED_ENABLE拉高以后。INITZ立刻变低。
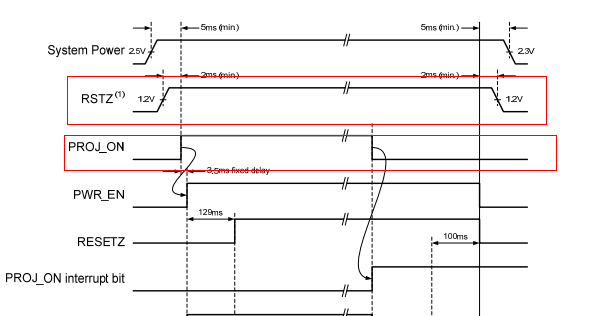
PAD1000的RSTZ和PEOJ_ON时序是否有问题?
请问TI工程师,以上我遇到的问题可能是什么问题,是我软件配置的问题还是硬件设计的不好。

