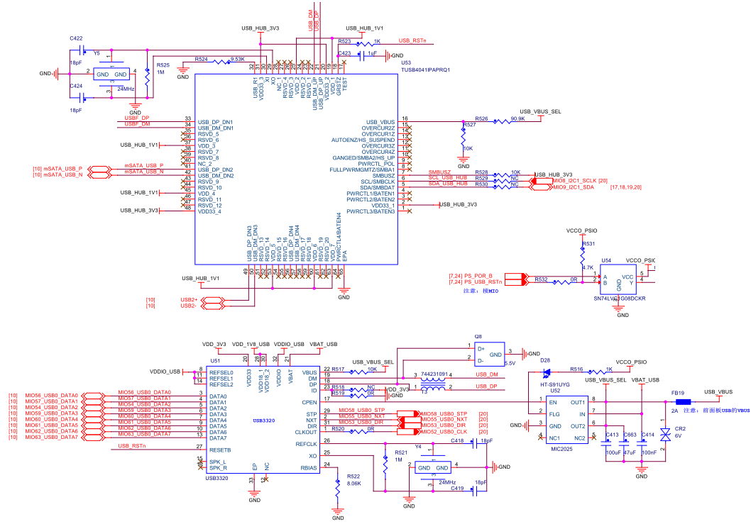
Part Number: TUSB4041I
The CPU chip is connected to the PHY chip of USB3320, and then to TUSB4041. When the USB drive is connected to USB3320, it can be recognized, but when connected to TUSB4041, it cannot be recognized. The Linux operating system can recognize TUSB4041.
The log indicates that the TUSB4041 device has been recognized, but the device strings show null values(=0), and both product and manufacturer information are missing.
Further analysis reveals that the driver failed to enter the hub_probe() function in the hub.c file.
