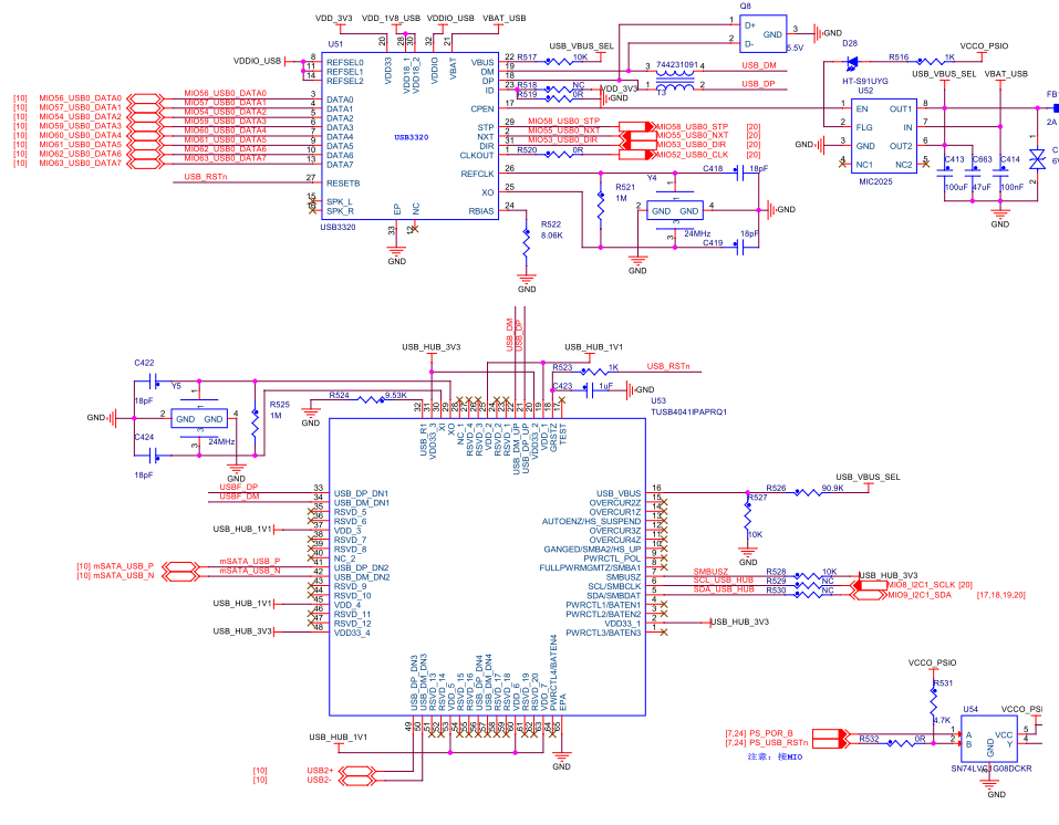
Part Number: TUSB4041I
In the schematic design, the CPU is connected to the PHY of the USB3320, which is then connected to the TUSB4041 for USB interface expansion. When a USB drive is directly connected to the USB3320, it can be recognized. However, when connected to the TUSB4041, it cannot be recognized. The Linux system can detect the TUSB4041.
