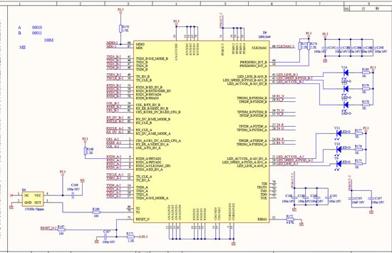
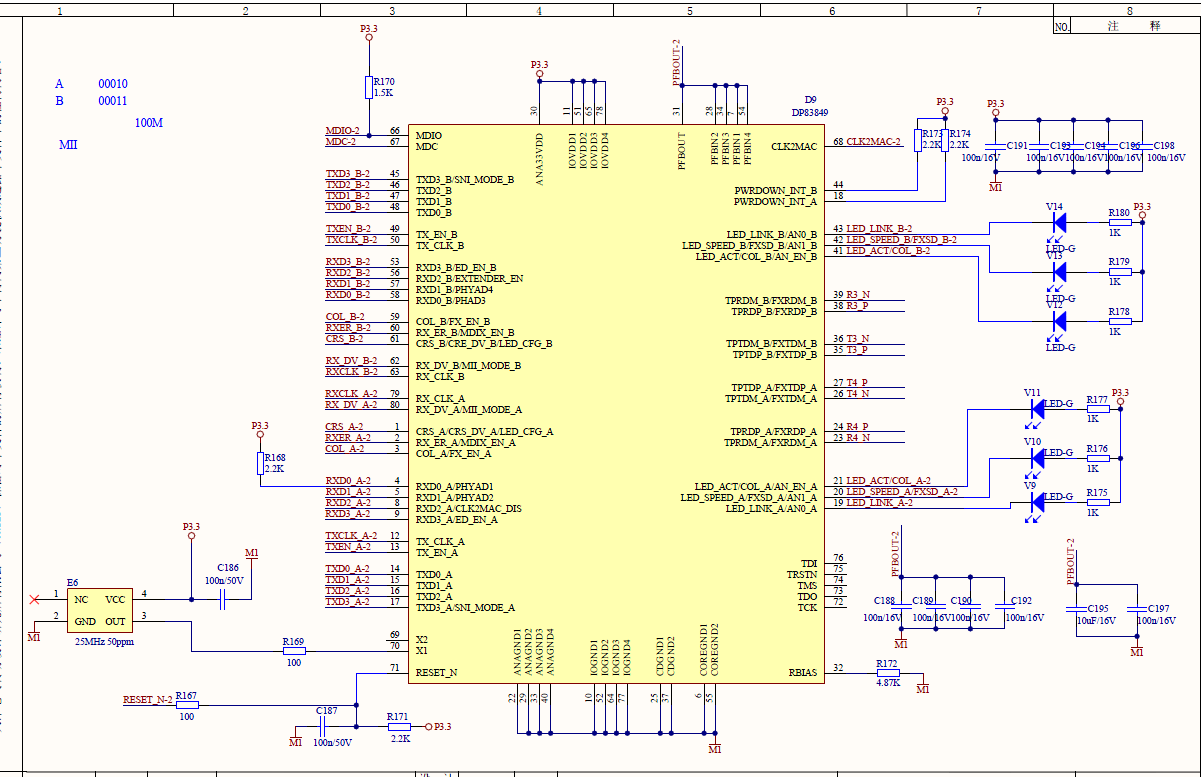
最近在使用DP83849实现百兆以太网通讯。上电后1s后进行100ms硬件复位,但是在通讯过程中,发现同一版程序,有时能正常通讯,而有时只在FPGA程序中加了个在线观测,就不能正常通讯了。在正常通讯时,A口和B口的灯都正常亮。不能通讯时,A口 SPEED灯亮,LINK和ACT灯灭,B口相反,SPPED灭,LINK和ACT灯亮。
读取了BMCR值,A口X“3100”,B口X“2100”。读取了BMSR值,A口X“786D”,B口X“784D”。
通过BMCR分析A口支持自协商,而B口为固定100M,全双工。所以希望通过软件实现对B口配置自协商,当对B口进行00h地址写入时,其他位都可以更改,唯独第9位,第12位不能被更改,一直为0。这两位也就是自协商相关功能位,因此,这种方式配置自协商失败。
我的问题是,
1. 硬件配置信息是通过BMCR和BMSR的值来判断么?如果硬件没有配置成A和B都是自协商,怎样通过管理接口进行软配置,配置后需要软复位BMCR(15)来使配置生效么。(因为在我的试验中,发现软复位后,寄存器里的值都变成缺省值了)
2.能发出去,不能接回来,是跟PHY芯片A口,B口配置信息不同导致的么(硬件上一样处理,但读回来BMCR不同)?


