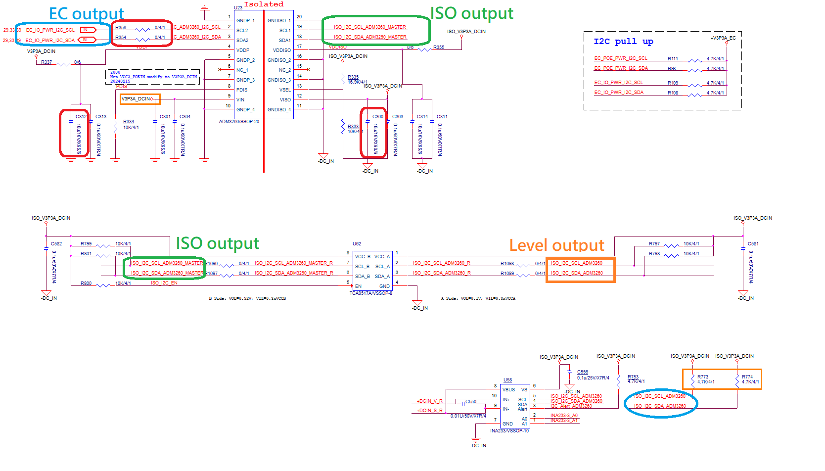
PCA9517: PCA9517 與 INA233 SMBUS 溝通問題

Part Number: PCA9517
Other Parts Discussed in Thread: INA233,

你好,

我在使用 PCA9517A 與 INA233 SMBUS 溝通過程

發生SMBUS 訊號變形的現象, 在PCA9517A的兩端B side to A side 無法正確將SMBUS 波形進行傳輸

導致INA233無法被辨認到

 

請問PCA9517A 這顆IC的 A side & B side 是否有 MASTER or SLAVE 的設計限制

 

詳細的線路與波形如附檔CA9517A_OUTPUT_3.3K-0+12K-47+5.2K-22--00000.jpgCA9517A_OUTPUT_3.3K-0+12K-47+10K-22--00000.jpgPCB9517A & INA233 design.png