如上图,只要Vref_B电源一接上,Vref_A口就有一个接近的电压值,而且,该值会影响Vref_A的接入。
举个例子,我Vref_B接入3.3V,而Vref_A接入1.8V,实际测量发现,Vref_A被拉至2.3V。
请问,我电路有什么问题?该怎么修改。谢谢
This thread has been locked.
If you have a related question, please click the "Ask a related question" button in the top right corner. The newly created question will be automatically linked to this question.
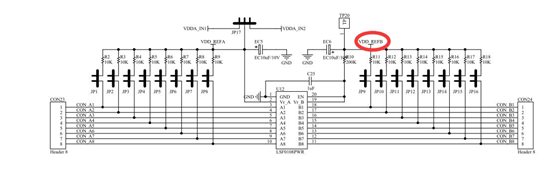
如上图,只要Vref_B电源一接上,Vref_A口就有一个接近的电压值,而且,该值会影响Vref_A的接入。
举个例子,我Vref_B接入3.3V,而Vref_A接入1.8V,实际测量发现,Vref_A被拉至2.3V。
请问,我电路有什么问题?该怎么修改。谢谢