Part Number: SN65LVDS1050
你好,
请教一个关于SN65LVDS1050PWR的问题,如果LVDS的接收器的输入端1A(pin2),1B(pin1)这两个pin没有信号输入,那么这两个pin需要外部上拉300K的电阻到VCC吗?还是如下图中的300K的电阻已经内置到器件里面了?

This thread has been locked.
If you have a related question, please click the "Ask a related question" button in the top right corner. The newly created question will be automatically linked to this question.
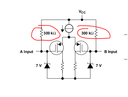
Part Number: SN65LVDS1050
你好,
请教一个关于SN65LVDS1050PWR的问题,如果LVDS的接收器的输入端1A(pin2),1B(pin1)这两个pin没有信号输入,那么这两个pin需要外部上拉300K的电阻到VCC吗?还是如下图中的300K的电阻已经内置到器件里面了?
