TI 工程师,你们好!
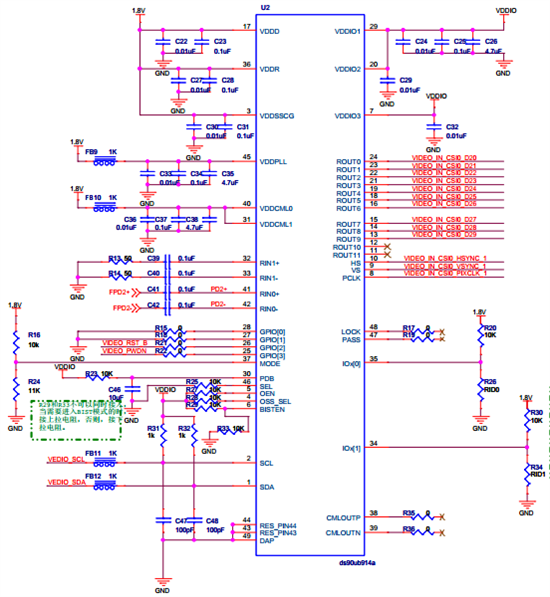
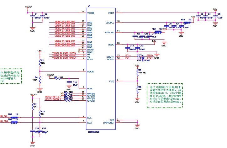
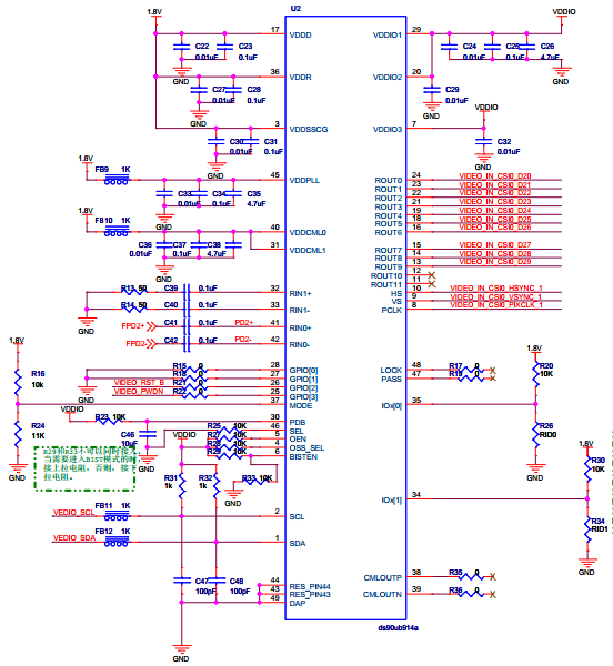
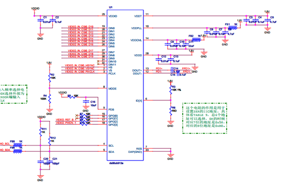
目前,我的913,、914、sensor i2c通讯都是正常的,寄存器也都设置成功,sensor检测有图像输出,但是914检测不到。
发现的问题是:914的PLCK输出不正常,sensor PCLK为83MHz,914PCLK输出为172MHz,
我查阅了913/914的文档,好像并没有什么寄存器可以设置的地方,请问该如何处理?
希望TI工程师帮忙解答,谢谢!
This thread has been locked.
If you have a related question, please click the "Ask a related question" button in the top right corner. The newly created question will be automatically linked to this question.
补充下我的操作步骤:
① 设置914的寄存器:
0x07 0xb2 //913的alias地址
0x08 0x60 //sensor地址
0x10 0x60 //sensor的alias地址
其他默认
② 913的寄存器设置:
0x03 0xc7 //设置internal oscillator为参考时钟,如果不设置应用初始化会失败
其他默认
③ 加载sensor驱动,成功加载。 //直接并口连接是可以输出图像的
④ 运行应用程序,初始化成功。
⑤ 913的寄存器设置:
0x03 0xc5 //设置为sensor的pclk为参考时钟
然后就有最开始的问题。
看了下,电路没有问题,也就是说当PCLK来源于sensor时,914的PCLK输出不正常。
PDB是直接拉高的,建议按照913 datasheet中Figure40的时序,也就是当VDDIO和VDD_core电压都起来到稳定之后,PDB再由低到高的变化过程。验证下PCLK输出是否有变化。