Other Parts Discussed in Thread: DP83640
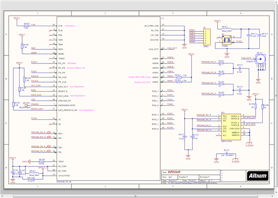
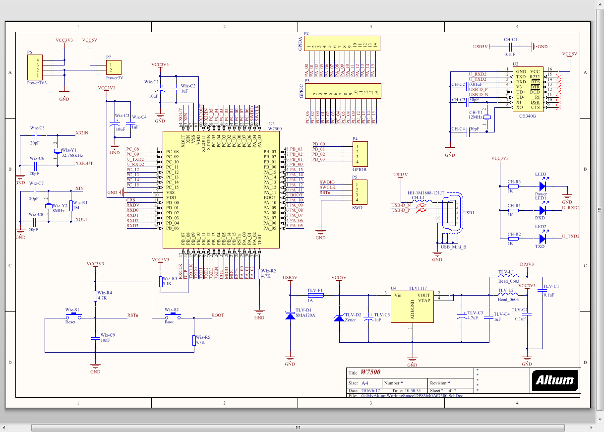
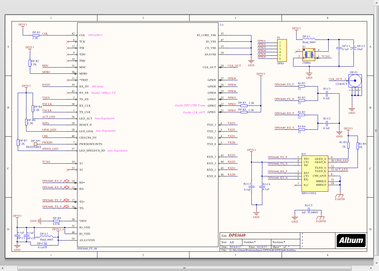
参考官方的一个demo设计的DP83640电路图,有源晶振25M,使用MII模式,上电后DP83640的RXCLK和TXCLK均无输出,有源晶振的输出正常,单片机通过MDIO和MDC去读DP83640的内部寄存器全是0xffff,不知错误在何处,附上全部电路图,麻烦专家帮我看一下,项目挺急的,已经在这卡了好久了,好心塞。想帮我看看是否电路图有问题。示波器观察晶振输出信号的峰峰值才800多毫伏,不知是否是晶振的原因?VCC是3.3V

