如题
This thread has been locked.
If you have a related question, please click the "Ask a related question" button in the top right corner. The newly created question will be automatically linked to this question.
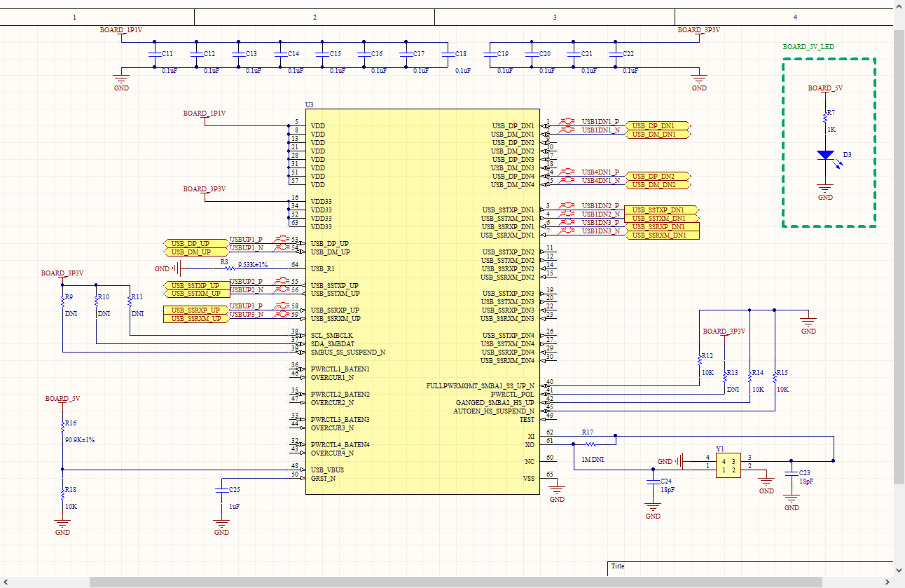
先检查下上电时序是否正常。
另外,如果按照demo板的电路设计,需要注意PWRCTL_POL高有效,因为内部已经上拉,所以悬空即为高电平,担心你参考的之前TUSB8041
的datasheet版本有误,将PWRCTL_POL拉低。