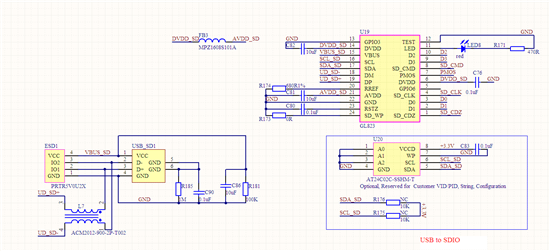
GL823是读卡器芯片,有data0~data3、cmd、clk,cd管脚,除clk脚外其他脚均有20K或50Kd的内部上拉,通过TS3A44159RGTR接MicroSD卡,GL823接TS3A44159RGTR的NO端,MicroSD卡接TS3A44159RGTR的COM端。
GL823直接挂SD卡可以进行正常通信,通过TS3A44159RGTR后只有clk信号通过,其他信号均被上拉到高电平不变!
This thread has been locked.
If you have a related question, please click the "Ask a related question" button in the top right corner. The newly created question will be automatically linked to this question.
GL823是读卡器芯片,有data0~data3、cmd、clk,cd管脚,除clk脚外其他脚均有20K或50Kd的内部上拉,通过TS3A44159RGTR接MicroSD卡,GL823接TS3A44159RGTR的NO端,MicroSD卡接TS3A44159RGTR的COM端。
GL823直接挂SD卡可以进行正常通信,通过TS3A44159RGTR后只有clk信号通过,其他信号均被上拉到高电平不变!
你好,
最好能有个原理图或者示意图,方便大家帮你分析问题,另外你能把问题再稍微描述下吗?
Best regards,
Sulyn Zhang
是的,最好有个电路图,你是想通过TS3A44159实现GL823 与SD卡的切换?
从你的描述来看,其他引脚都是由于内部上拉导致输出高电平。
IO_SEL为高电平时,TS3A44159的NC to COM是关闭的,NO和COM接通,那对于上面TS3A44159来说,也就是说现在发现D2和IO2,SD_CDZ和IO1有问题?但看电路上,IO1和IO2接的USB的差分对?
哈哈,USB上的管脚名称,TS3A44159上的是网络,他两是两回事,没有电气连接的!
怪不得看起来电路怪怪的,那现在的问题就是SEL为高时,NC to COM没问题,NO to COM通道有问题是吗?。
更具体说,是GL823的clk没问题,因为这个管脚内部没上拉,其他是内部上拉的就有问题!