This thread has been locked.

If you have a related question, please click the "Ask a related question" button in the top right corner. The newly created question will be automatically linked to this question.

DS90UB964 I2C不能正常通信



Ti工程师,

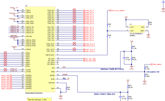
        打扰了, 开发环境 sensor + 4X913+ ds90ub964 + MCU,

上电,964 PDB引脚1.82V, IDX引脚1.72V,根据数据手册Addres 为0x3d,  但是MCU 与 ti1005 I2C不能通信,有什么可能的原因导致不能正常通信呢

还有 MCU单独接964不连接913,I2C能正常通信吗,谢谢