Other Parts Discussed in Thread: LMH1219
您好,
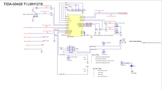
这个是lmh1219芯片给的参考设计的原理图,我想咨询一下就是,如果芯片不进行软件配置,能否直接使用?
因为我只想用这个芯片来做单端转差分,可以不使用这个芯片来进行均衡和时钟恢复,将这个芯片的OUT_CTRL接口,直接连接到H,能否不进行软件配置直接使用。
谢谢啦~
This thread has been locked.
If you have a related question, please click the "Ask a related question" button in the top right corner. The newly created question will be automatically linked to this question.
Other Parts Discussed in Thread: LMH1219
您好,
这个是lmh1219芯片给的参考设计的原理图,我想咨询一下就是,如果芯片不进行软件配置,能否直接使用?
因为我只想用这个芯片来做单端转差分,可以不使用这个芯片来进行均衡和时钟恢复,将这个芯片的OUT_CTRL接口,直接连接到H,能否不进行软件配置直接使用。
谢谢啦~
因为这款没有完整的datasheet,所以不清楚是否能将均衡和reclock 功能bypass。
但是如果您的应用只是需要做单端转差分的转换,那直接选一款全差分运放即可。 没必要使用LMH1219。