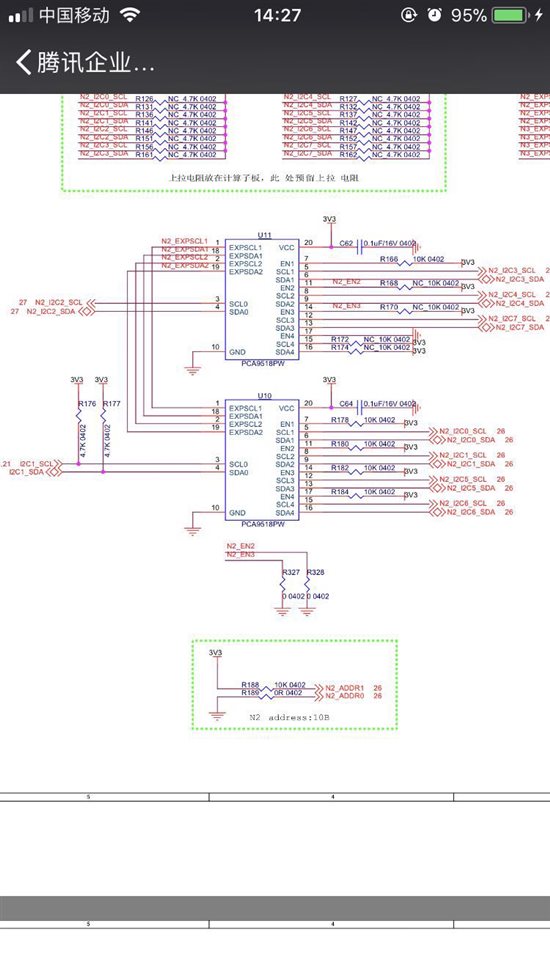
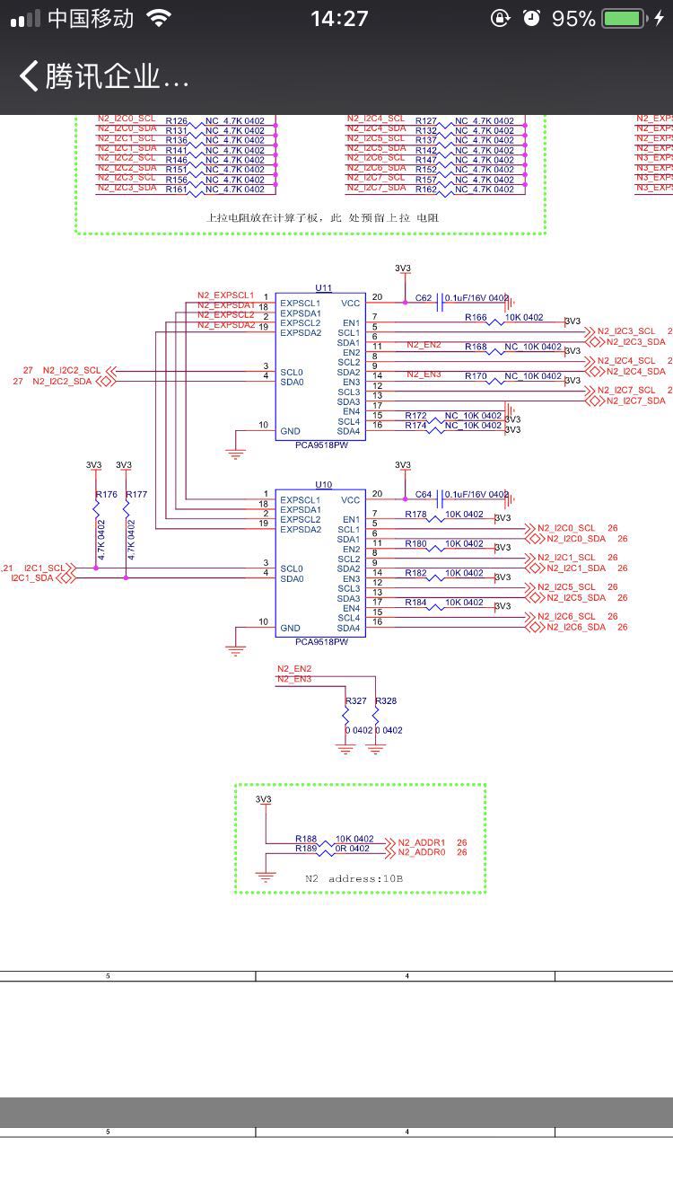
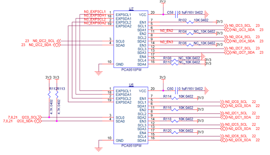
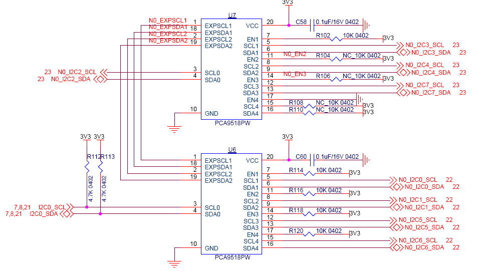
我的项目中目前用了八个PCA9518PW芯片,其中两个的连接情况如下图所示,请教一下,图中N0_EXPSCL1与N0_EXPSDA1(或者N0_EXPSCL2与N0_EXPSDA2)的走线长度有要求吗,还是说走线长度只要满足I2C的规范控制走线上的电容在400pf以内就可以,感谢
This thread has been locked.
If you have a related question, please click the "Ask a related question" button in the top right corner. The newly created question will be automatically linked to this question.
我的项目中目前用了八个PCA9518PW芯片,其中两个的连接情况如下图所示,请教一下,图中N0_EXPSCL1与N0_EXPSDA1(或者N0_EXPSCL2与N0_EXPSDA2)的走线长度有要求吗,还是说走线长度只要满足I2C的规范控制走线上的电容在400pf以内就可以,感谢
这里的总线电容不超过400pF 不单单局限于PCB trace,还有slave,每个slave可增加5-10pF电容。
因此trace长度没有具体限制要走多少,根据自己实际板子布线情况,尽量不要走太长。
那么是不是可以认为N0_EXPSCL1与N0_EXPSDA1(或者N0_EXPSCL2与N0_EXPSDA2)的走线长度只要保证线电容在400pf以内(包括线电容、via电容与slave pin电容)就可以?