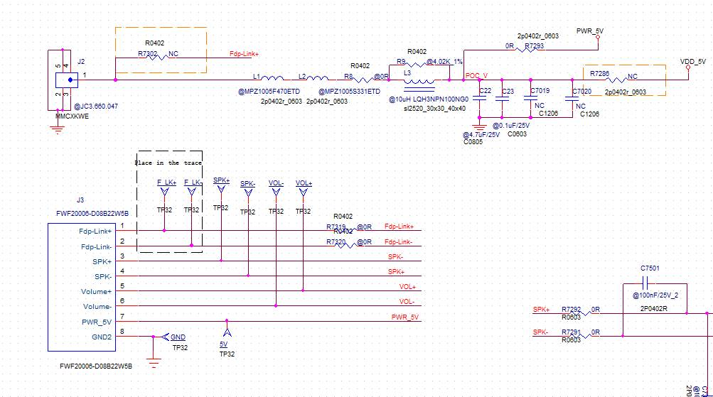
附件是DS90UB953板子原理图和PCB文件(cadence16.6)
特别说明:FPD-link部分 我们预留了同轴线和差分线两种模式走线,具体见下图,review请重点关注此部分layout,PCB为4层走线,截图为top层设计部分,fpdlink相关网络已高亮
This thread has been locked.
If you have a related question, please click the "Ask a related question" button in the top right corner. The newly created question will be automatically linked to this question.
附件是DS90UB953板子原理图和PCB文件(cadence16.6)
特别说明:FPD-link部分 我们预留了同轴线和差分线两种模式走线,具体见下图,review请重点关注此部分layout,PCB为4层走线,截图为top层设计部分,fpdlink相关网络已高亮