This thread has been locked.

If you have a related question, please click the "Ask a related question" button in the top right corner. The newly created question will be automatically linked to this question.

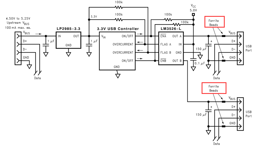
USB OTG ferrite bead selected



图中铁氧体怎么选择?有没有推荐规格?

Datesheet种关于这个的描述,没有给出更多细节。