This thread has been locked.

If you have a related question, please click the "Ask a related question" button in the top right corner. The newly created question will be automatically linked to this question.

LAN8710A-EZC匹配电路问题



先生/女士:

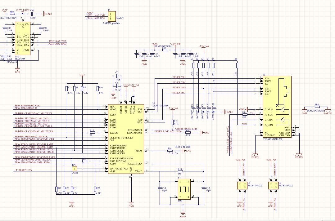
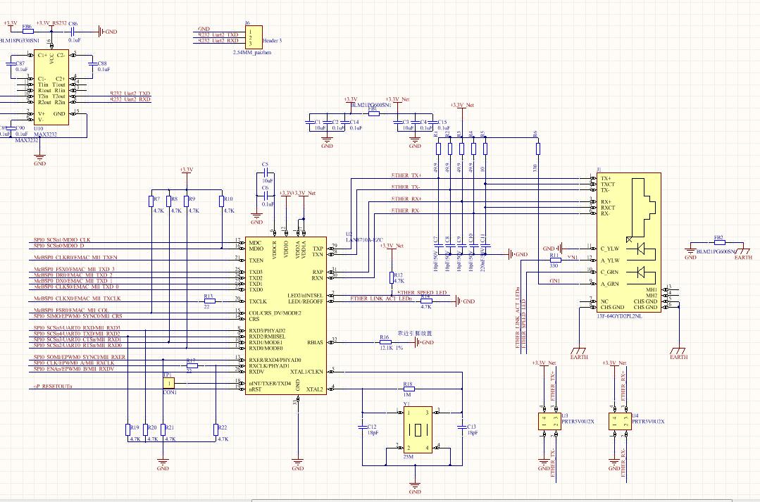
你好,最近用LAN8710A-EZC芯片绘制了一个小电路板 ,上电后RJ45的黄灯和绿灯就亮起,但此时并未连接网线;插上网线后RJ45的灯仍是亮的状态,但是无法连接网,25MHz时钟正常,电源正常,请问原因可能是哪里?难道是匹配电路有问题吗?原理图如下: