This thread has been locked.

If you have a related question, please click the "Ask a related question" button in the top right corner. The newly created question will be automatically linked to this question.

HD3SS3220差分线的连接极性

Other Parts Discussed in Thread: 3220UFP-DGLEVM, HD3SS3220

我在参考HD3SS3220的datasheet和3220UFP-DGLEVM原理图时,发现当中两个参考电路的USB3.0的差分线的连接顺序有区别,所以感到比较困惑。

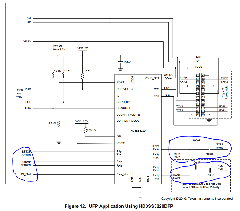
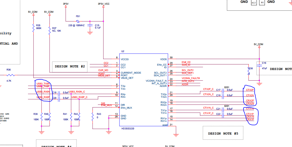
如下图,图1 pin18~21从type-C接口输入的信号极性与HD3SS3220管脚的标号是一致的,而pin14~17则是正负极相反的,而pin6~7 pin9~10的引脚标号又是与输出的USB网络的标号是相反的。图2 pin18~21、pin14~17接法是与图1相同的,而pin6~7 pin9~10却与图1的接法不同。