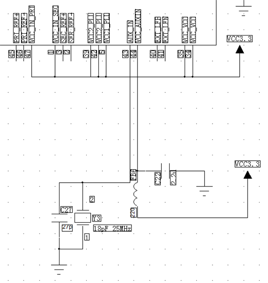
原理图是按照开发板设计的(图中27PF的电容,实际为5PF)
寄存器试过默认的
也尝试过 x"81840120",x"81840101",x"81860102",x"eb860103",x"01860114",x"101c0b25",x"04be19a6",x"bd0037f7"
输入选为AUX,输出为SMARTMUX
但是都不起振,寄存器读写都正常
是仅仅配置这8个寄存器 25M就能起振,还是需要再有什么配置才能起振?
求助专家!!
This thread has been locked.
If you have a related question, please click the "Ask a related question" button in the top right corner. The newly created question will be automatically linked to this question.
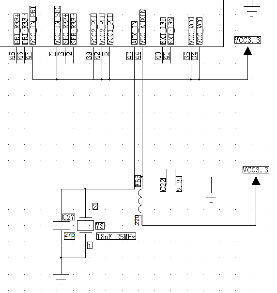
原理图是按照开发板设计的(图中27PF的电容,实际为5PF)
寄存器试过默认的
也尝试过 x"81840120",x"81840101",x"81860102",x"eb860103",x"01860114",x"101c0b25",x"04be19a6",x"bd0037f7"
输入选为AUX,输出为SMARTMUX
但是都不起振,寄存器读写都正常
是仅仅配置这8个寄存器 25M就能起振,还是需要再有什么配置才能起振?
求助专家!!
cdce62005evm板上的crystall是上电后就能起振(62005内部有初始),建议你对比evm板测试,谢谢