This thread has been locked.

If you have a related question, please click the "Ask a related question" button in the top right corner. The newly created question will be automatically linked to this question.

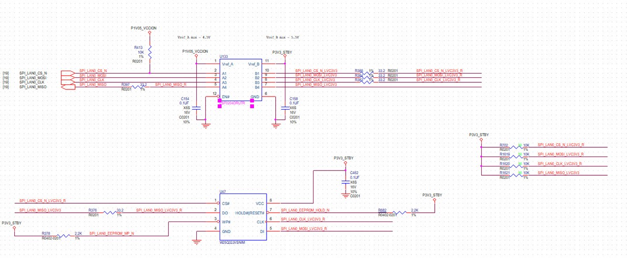
LSF0204DRUTR high level



我目前在3.3 side量測到 high level 不到2.4v,

目前也在3.3 side的SPI 都加上pull high 10k, 量到的圖如下,

請問2端都要pull high 嗎?