This thread has been locked.

If you have a related question, please click the "Ask a related question" button in the top right corner. The newly created question will be automatically linked to this question.

使用SN75LVDS83BDGGR芯片RGB转LVDS屏幕花屏问题

Other Parts Discussed in Thread: SN75LVDS83B, SN75LVDS83

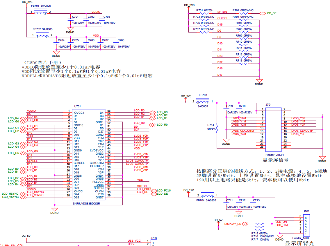
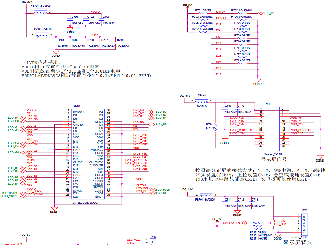
核心方案i.MX 6ULL[NXP];RGB转LVDS使用SN75LVDS83BDGGR;屏幕是10寸分辨率1024*768。

此核心板和RGB转LVDS方案已在其他产品上验证过,均能正常显示。新产品的原理图已对照和之前的原理一样,但LVDS屏幕花屏,只显示一条一条的横线或块,测量RGB端时钟信号正常,LVDS端时钟和信号波形都很乱(和正常的底板对比测试,正常显示的底板lvds端波形也比较规整)。

PCB,4层板,lvds信号线下无其他信号和电源线干扰,未走等长,但线很短,10mm左右,误差比较小。

换过新LVDS芯片,未解决。

怀疑是其他外围电路的影响,将除屏幕外其他的串口、网口、IIC、USB器件全部拆除,未解决。

无思路了,请问,如果RGB端的时钟信号正常,会有哪些外部因素导致LVDS端的时钟不正常呢?外围电路,还是芯片本身质量问题

  • 您好,看了下您的电路,是RGB565 16bit的数据是吗? 目前显示不正常,首先LVDS83B输出LVDS信号正常吗, 有用示波器测量下吗?
    另外,就是要看下RGB的data mapping是否正确。
  • 是RGB565 16bit数据,可能接线和手册推荐电路不同,但这个接法是之前多个板卡验证过正常使用的。显示异常的板卡,LVDS信号和时钟都不正常,用示波器和以前正常板卡对比测过。如果是程序配置问题的话,那相同程序核心板插到以前的底板,应该也显示异常吧,但是相同的核心板程序,相同的rgb转lvds原理图,插到以前底板就正常显示。以前正常的底板和现在异常的底板区别只是外设接口数量不同,如串口,网口,iic接口等,其他不同之处暂未想到。
  • 您好,那是否方便将原来正常工作的SN75LVDS83B 更换到异常板上,看是否是芯片的问题?
    异常的也是使用的SN75LVDS83B吧,而不是SN75LVDS83, 因为这二者能够支持的像素时钟频率范围是不同的。
  • 型号都是83B。更换过,换过库房领的新芯片,也在正常的板上拆过换过,都不行。跟上一批次的芯片型号略有差别,下排丝印有LVDS83B,还有个批次的是XLVDS83B,前缀X不知是否有影响
  • SN75LVDS83BDGGR 的丝印正常应该就是LVDS83B,可根据丝印查询链接进行查询:www.ti.com.cn/.../partlookup.tsp

    您说的XLVDS83B的这个丝印,能否排个照片看下? 和之前LVDS83B丝印的是同一个购货渠道吗?
  • 我们买的渠道一样,但代理商的渠道就不清楚了。但是这两种丝印,在旧板卡上都是没有问题,焊在现在调试的新板卡上就都不行了,所以可能跟丝印关系也不大。

  • 已解决。感谢各位帮助分析原因和提出建议。

    由于楼主粗心,R701和R702两个电阻丝印位置放反了,导致SHTDN 引脚的上拉电阻R701未焊,而是焊到了R702的位置,关闭了芯片的功能,所以lvds各个引脚输出异常,屏幕显示异常。

    将电阻改过来后,屏幕正常显示,只是颜色和分辨率还不对,再继续调一下软件即可。