This thread has been locked.

If you have a related question, please click the "Ask a related question" button in the top right corner. The newly created question will be automatically linked to this question.

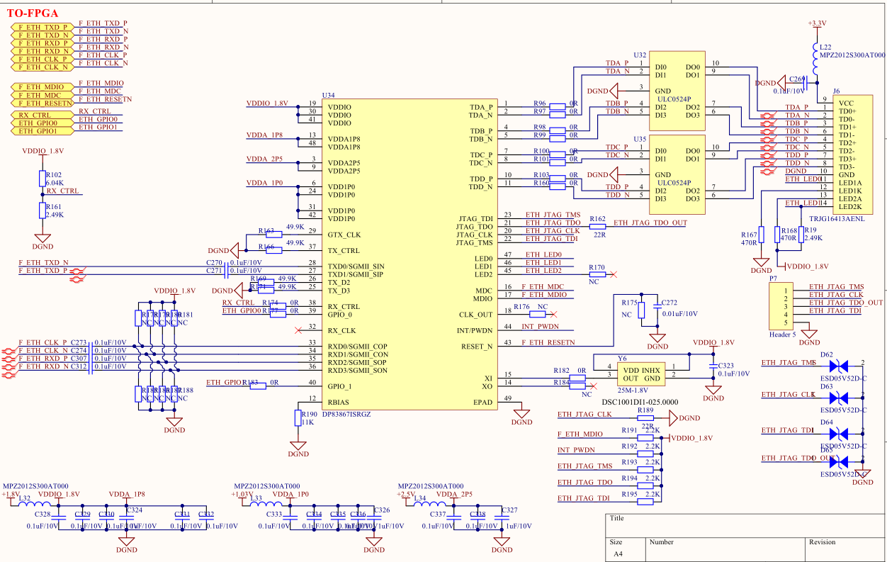
DP83867调试问题



1. FPGA与PHY芯片通过SGMII接口进行连接,在FPGA内部采用了一个PCS IP核。在测试过程中,对PHY芯片配置为自环模式,PCS IP核有一个状态输出信号LED_LINK(this signal indicates a successful link synchronization)。在下载程序后,链路及测试正常,接收到的数据经过比对后也是正确的,在程序运行大约1分钟后,接收数据发生错误,此时发现LED_LINK会有拉低的情况,正常情况下应该是一直高的。然后,此信号会时高时低,此时接收到的数据也是错误的。

另外,一旦发生此类现象,只要不断电,多次下载程序,接收数据的错误是相同的。只有断电重新上电,接收数据的错误才会不同。

2. 3pin和9pin应该是2.5V输入,但是此处不接2.5V时就有3V左右的电压,接上2.5V后 此两个pin 依然是3V左右。

硬件图纸如图