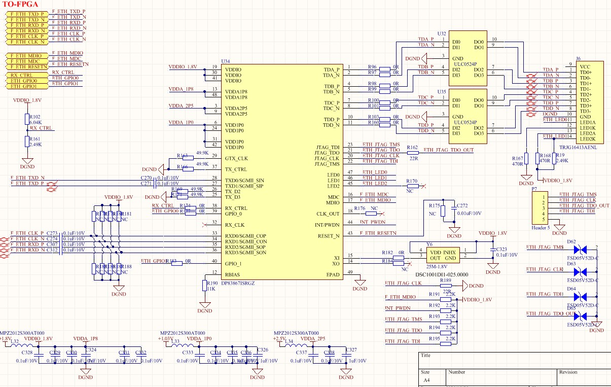
FPGA控制DP83867,在SGMII接口的自适应模式下,与电脑通信,100M模式下正常,可以接收到电脑网卡发送的数据,1000M模式下可以link,且link状态正常,但接收不到数据,不知道是不是phy芯片的原因,需要对phy芯片做哪些配置? 或者有说明其他调试方向
各个寄存器的读值如下:
0x000A的读取值:16'h7800,
0x0010的读取值:16'h5868,
0x0011的读取值:16'hAC02,
0x0013的读取值:16'h0000,
现在就是FPGA到DP83867 自环通了,但是DP83867通过RJ45连接电脑后,如果电脑网卡设置成100M是有数据的,如果电脑网卡设置成1000M就没有数据了,但是link是正常的,DP83867这边还有什么需要配置的吗? 现在没有调试方向了 望指教 谢谢!

